南阳金冠避雷器监测器JCQ-3厂家直销

JCQ-3避雷器在线监测仪结构和特点

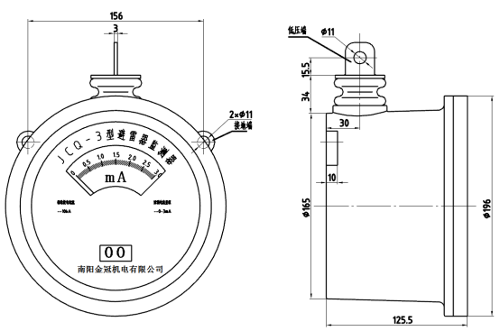
1:采用新颖的整体结构设计,结构紧凑、密封性能优越,工作稳定可靠;

2:采用不锈钢外壳,美观坚固、抗腐蚀耐震性好,便于运输安装,使用寿命长;-

3:采用二位(或三根据客户定制要求)电磁式记数器,满度后自动回零,循环计数工作,不需清零;

4:电流测量采用特制非线形刻度毫安表,具有读数清晰、小电流区分辩率高、耐振动的优点;

5:特制毫安表用彩色刻度分别标出避雷器泄漏电流运行区域,方便判断避雷器的运行状态;设有故障报警,避雷器泄漏电流过设定值后,能自动发出报警信号,信号方式为红绿交替闪烁式,符合人的视觉生理特点,提高了预警能力。

6:JCQ-3避雷器在线监测仪是串联在避雷器下面用来监测泄漏电流和记录避雷器动作次数的一种装置,使用的环境条件与相连接氧化锌避雷器相同。

7:漏电流及动作记录器的特点是指针式动作计数,电流指针指示,易于观察,动作可靠。

JCQ-3避雷器在线监测仪结构和性能

1:漏电流及动作记录器主要由阀片、整流器、电容器、电阻、电感、触发电路、保护器、计数电路、磁电式指针电表、电流测量、构件及壳体等部分组成。

2:正常使用情况下,避雷器的泄漏电流直接由磁电式指针仪表显示出来,指示范围分为两档:0-3mA。避雷器动作时计数器指针动作并计数。计数单元性能符合JB2440-91《避雷器用放电计数器》行业标准,电流显示单元性能符合*GB7676-94《指针式电工仪表》标准。

要技术性能

产品执行标准:JB/T 10492  《交流无间隙金属氧化物避雷器用监测器》。  其主要技术性能如下表:

型号

标称放

电电流

残压不大于

2ms方波

电流

4/10μs大电流冲击

电流

量程

计数

方式

(kA)

(kV)

(A)

(kA)

(mA)

JCQ-3

20

2.5

2000

100

0~10

数码式


JCQ-3避雷器在线监测仪用户须知

1: 用户在将监测器投入运行前和在运行一二年之后,应在现场进行简易的测试,其项目是:

2 :用万用表在监测器的两端,测量其直流电阻不应出现短路现象。

3: 测试计数器的工作情况,看其是否动作。用500V的摇表对600V、10μF的容器充电,将充电后的电容器对监测器两端放电,这时监测器的计数部分应正常工作,即增加一个数字,而且电流表指针应

总线大方向摆动一次。否则,视监测器有故障。

4:从线路中卸下监测器时,应先用导线将避雷器接地端可靠接地,然后再卸下监测器。

5:监测器有故障后,请不要自行修理,,如需修理,请寄回生产厂家处理。

6:验收安装

1.验收:

(1) 产品接收时,打开包装箱、检查随机文件(使用说明书、装箱单、合格证)是否齐全。

(2) 按装箱单检查配件是否齐全,同时检查产品外表是否有碰伤痕迹,绝缘子是否有裂纹、掉块现象。

2.安装

参照监测器外形图及安装示意图。

1)监测器串联在避雷器与地之间。

2)安装时监测器面板朝向要便于观察。

3)避雷器低压端用软铜线与监测器弯角或接线螺栓连接,安装牢固,接触要可靠,力矩不能过大,避免监测器高压接端螺丝松动或瓷套破裂影响密封结构。

(4)监测器安装孔固定在金属支架上,并通过接地母线或接地铜排接地,监测器底座也可作为接地母线,必须安装牢固、接触可靠。

七、试验项目及方法

用户接收产品时,主要测试计数器动作性能和电流表电气性能,可用以下简易方法对产品进行试验。

1.动作性能试验:将一只耐压1000V容量(10~15)μF的电容器接在1000V摇表上,用每分钟90~120转的转速摇动摇表,对电容器进行充电,当电容器上的电压用万用表监测达到800V(试JCQ-3B、3C型时电压可降到600V)时,立即断开与摇表上连接的电容器,用电容器对监测器进行瞬间放电,监测器应计数一次,同时毫安表指针应有明显摆动后恢复到原位。连续进行10次,均应可靠动作。若用其他设备调试,计数器不动作,可能是设备容量不足问题。

2.泄漏电流测量误差试验:如图一测试接线图,接好线路,由零+位开始逐渐调高调压器的输出电压,泄漏电流表的读数和数字万用(交流电流档)的读数也相应增加,当万用表读数增大到1mA时,读取漏电流表的值,并计算出*误差,应不大于5%。


南阳金冠避雷器监测器JCQ-3厂家直销


3. 监测器性能的简易测试,亦可使用本厂生产的试验仪进行。

八、注意事项

1.监测器投入运行后,值班人员应巡回监视并定期抄录电流表的读数,一般要求漏电流比初始值增大20% 以上时,应立即引起注意并加强监视,增大50%以上时,应立即查明原因后作出处理。

2.安装避雷器监测器虽能监测避雷器的漏电流,但不能代替避雷器的常规预防性试验。

3.避雷器监测器的漏电流指示,仅用来定性观测避雷器漏电流的变化情况,其电流读数只具有相对意义,不能作为计量仪表使用。

4.注意勿使绝缘子过度受力以免破坏密封,同时用户不得随意拆开避雷器监测器。

5. 避雷器低压端与监测器弯角或接线螺栓不得采用硬连接,若避雷器距离监测器较远通过铜排接软铜线再与监测器高压端连接。

6.监测器上所有紧固螺丝均不可松动,监测器旁边不可进行焊接、切割等高温作业。否则会使破坏监测器的密封结构。

7.质量保证

8.用户在规定的安装使用条件下,本公司在三包期限内负责三包事宜,三包期限为二年。用户若有特殊要求,可来人、来函进行洽谈。


南阳金冠避雷器监测器JCQ-3厂家直销

点击阅读全文 >>