描述日本SMCAQ3000-03螺纹连接快速排气阀

保修说明
在保修期内报告的任何故障或损坏显然是我们的责任
责任,将提供替代产品或必要的零件。
此有限保修仅适用于我们的产品独立,而不是任何
由于产品故障而造成的其他损害。
3.在使用SMC产品之前,请阅读并理解保修条款
以及在特定产品的目录中注明的免责声明。
* 2)本保修期内不包括真空吸盘。
真空垫是一种易损件,所以在交付后一年内保证。
另外,即使在保修期内,由于使用真空吸尘垫,产品也会磨损
或由于橡胶材料的变质而导致的故障不在有限保修范围内。
合规要求
1.使用SMC产品配合设备制造
大规模杀伤性武器(WMD)或任何其他武器是严格禁止的。
SMC产品或技术从一个出口到另一个
受有关的有关安全法律和法规管辖
在交易中。在将SMC产品运往另一个之前,
确保所有关于出口的地方规则是已知的并且遵循的。
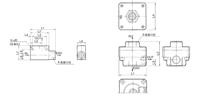
外形尺寸
描述日本SMCAQ3000-03螺纹连接快速排气阀