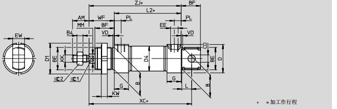
圆形气缸德国FESTO费斯托HBN-32X2

气缸带弹性塑料终端位置缓冲 • 气缸带自调节终端位置缓冲 • 气缸带带可调终端位置缓冲
应用 • 小负载
• 低速
• 低冲击能量
• 小到中负载
• 低到中速度
• 中冲击能量
• 中到大负载
• 高 速度
• 高冲击能量
优势 • 无需调节
• 节省时间
• 无需调节
• 节省时间
• 强大的性能
• 性能强大端活塞杆 用于推进时两端以相同的力工作和用于安装外部挡块
S6 耐热密封件 高耐受 120 °C
S10 低活塞速度恒定(慢速)工作 适用于在气缸的整个行程范围内衣恒定、无抖动、无爬动的速度实
现慢速行程运动。
密封件含硅油(含油漆湿润缺陷物质)
S11 低摩擦 特殊密封件可大大减少系统磨损。就等于大大降低了响应压力。
密封件含硅油(含油漆湿润缺陷物质)
K2 加长活塞杆外螺纹 –
K3 内螺纹活塞杆 –
K5 活塞杆上特殊螺纹 公制标准螺纹符合 ISO
K6 活塞杆缩短外螺纹 –
K8 加长活塞杆 –
R3 高耐腐蚀等级 气缸所有外表面符合耐腐蚀等级 3,符合 Festo 标准
940070。活塞杆采用耐腐蚀和耐酸的钢
R8 防尘(刮片密封件)
(32 … 63 mm)
气缸配备了电镀硬铬的活塞杆和刚性刮片密封件,防护干燥多尘介
质
A6 金属刮片密封件
(32 … 63 mm)
气缸安装了镀硬铬的活塞杆和金属刮片密封件,刮去活塞杆上粘附
的硬颗粒(如,焊渣)。
用于焊接系统。
圆形气缸德国FESTO费斯托HBN-32X2