进口hengstler亨士乐高压继电器H-507原理说明

特征:
2 CO 触点;
大切换电压5kVeff;
陶瓷绝缘触点组;
可用M4螺钉装配;
环境温度:-25 - 40℃;
符合RoHS;
参数简介:
吸合电流
是指高压继电器能够产生吸合动作的小电流。在正常使用时,给定的电
加的工作电压,一般不要过额定工作电压的1.5倍,否则会产生较大的电
流而把线圈烧毁。
释放电流
是指高压继电器产生释放动作的大电流。当吸合状态的电流减小到一定
程度时,继电器就会恢复到未通电的释放状态。这时的电流远远小于吸合
电流。
触点切换电压和电流
是指高压继电器允许加载的电压和电流。它决定了继电器能控制电压和电
流必须略大于吸合电流,这样高压继电器才能稳定地工作。而对于线圈所
流的大小,使用时不能过此值,否则很容易损坏继电器的触点。
实物图:

技术数据:
驱动类型: 直流单稳态
常开触点: 0
常闭触点: 0
机械寿命:大于107次
电气寿命:大于105次
触点材料: AgCdO 镀金或钨; 镀金厚度10μm。
环境温度:-25 - 40℃
单刀双掷触点: 2
线圈额定电压: 6-220VDC
功能介绍:
扩大控制范围。例如,多触点继电器控制信号达到某一定值时,可以按触
以控制很大功率的电路。
自动、遥控、监测。例如,自动装置上的继电器和其他电器一起,可以组
点组的不同形式,同时换接、开断、接通多路电路。
综合信号。例如,当多个控制信号按规定的形式输入多绕组继电器时,经
过比较综合,达到预定的控制效果。
放大。例如,灵敏型继电器、中间继电器等,用一个很微小的控制量,可
成程序控制线路,从而实现自动化运行。
型号:
GEBER RI36-O/ 2500ER.31KB
GEBER RI36-O/ 360AS.31TB
GEBER RI36-O/ 200ER.31KB
GEBER RI41-O/ 2500ER.11KB
GEBER RI36-O/ 2048AS.31TA
GEBER RI36-O/ 3600AS.31RB
GEBER RI36-O/ 3600AS.31TB-D0
GEBER RI41-O/ 3600AR.11KB
GEBER RI36-O/ 3600AR.31KA
GEBER RI36-O/ 1024AR.31KA
GEBER RI36-O/ 250ER.31KJ
GEBER RI41-O/ 360AR.11DB
GEBER RI36-O/ 2000ER.31KB
GEBER RI36-O/ 10ER.31KB-D0
GEBER RI41-O/ 20ER.11KB-D0
GEBER RI36-O/ 2000ES.31IA
GEBER RI36-O/ 25ES.31KA
GEBER RI36-O/ 10ES.31KA
GEBER RI41-O/ 100AR.11DB-F0
GEBER RI36-O/ 20AS.31RB
GEBER RI36-O/ 1250AR.31TB
GEBER RI41-O/ 1000ER.11KB
GEBER RI41-O/ 360AR.11KB
GEBER RI41-O/ 900ER.11KB
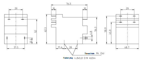
尺寸图:

GEBER RI41-O/ 50AR.11KB
GEBER RI41-O/ 200AR.11KB
GEBER RI41-O/ 500AR.11KB
GEBER RI41-O/ 60ER.11KB
GEBER RI41-O/ 1000AR.11KB
GEBER RI41-O/ 600ER.11KB
GEBER RI36-O/ 2000AS.31TB
GEBER RI36-O/ 2500ES.31KJ
GEBER RI36-O/ 3600ES.31KJ
GEBER RI36-O/ 1024AS.31KN
GEBER RI36-O/ 2048AS.31TB
GEBER RI41-O/ 3600ER.11KB
GEBER RI36-O/ 2500AR.31RB
GEBER RI36-O/ 3600ES.31KN
GEBER RI36-O/ 1000ER.31KB-F0
GEBER RI36-O/ 3600AR.35KB
GEBER RI36-O/ 250ES.31KA
GEBER RI36-O/ 250ER.31KB
GEBER RI36-O/ 500AR.11TA-M0
GEBER RI36-O/ 1024AR.31RA
GEBER RI36-O/ 1500AR.31KB
GEBER RI36-O/ 2500AR.31KB
GEBER RI36-O/ 1250ER.31KB
GEBER RI36-O/ 600ER.31KB
GEBER RI36-O/ 72ER.35KB-F0
GEBER RI36-O/ 10ER.35KB-F0
GEBER RI41-O/ 360ER.11KB-F0
GEBER RI36-O/ 100AS.31TB-I0
GEBER RI36-O/ 2500AR.31KA-D0
GEBER RI36-O/ 600AS.31RB
GEBER RI36-O/ 1000ER.31KJ
GEBER RI41-O/ 200AR.11DB
GEBER RI36-O/ 100AS.31TA
GEBER RI36-O/ 60ER.31KB
GEBER RI36-O/ 1000AS.31TA
GEBER RI36-O/ 10ER.31KB
GEBER RI41-O/ 1000AR.11DB
进口hengstler亨士乐高压继电器H-507原理说明