康茂盛953-000-P15-23电磁阀的实际用途

产品信息:
工作压力大工作压力 10 bar(小工作压力见各阀参数表)
公称压力6 bar
工作温度0 ÷ 60°C (干燥空气为 -20°C)
介质经过滤的压缩空气,无需油雾润滑。
如果使用油雾润滑,应不间断地使用油雾润滑(使用 ISO
VG32 润滑油)
工作原理:
电磁阀里有密闭的腔,在不同位置开有通孔,每个孔连接不同的
油管,腔中间是活塞,两面是两块电磁铁,哪面的磁铁线圈通电
的排油孔,而进油孔是常开的,液压油就会进入不同的排油管,
然后通过油的压力来推动油缸的活塞,活塞又带动活塞杆,活塞
阀体就会被吸引到哪边,通过控制阀体的移动来开启或关闭不同
杆带动机械装置。这样通过控制电磁铁的电流通断就控制了机械
运动。
实物图:

型号:
61M2P032RL0180
61M2C032A0200W
61M2P032A0200EX
61M2P032A0200V
61M2P032A0200R
61M2P032A0200W
61M6P032A0160
61M2P032A0165
61M2P032A0167
61M2P032A0170
61M2P032A0170(30)
61M2P032A0173
61M2P032A0175
61M2P032A0180
61M2P032A0180EX
61M2P032A0180R
61M2P032A0250EX
61M2P032A0250V
61M2P032A0250R
61M2P032A0250N
61M2P032A0250W
61M2P032RL0250
61M5P032RL0250
61M6P032A0250
61M6C032A0250
61M2P032A0260
61M2P032A0260EX
61M2P032A0265
61M2P032A0270
61M2P032A0275
61M2P032A0280
61M2P032A0280EX
61M2P032A0285
61M2P032A0290
61M2P032RL0200
61M6P032A0220
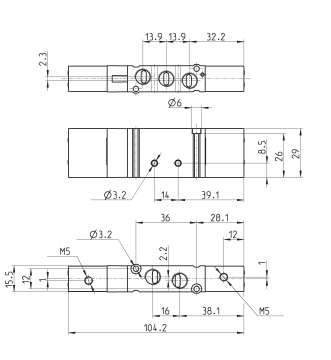
尺寸图:

61M2P032A0225
61M6P032A0180
61M2P032A0185
61M2P032A0190
61M2P032A0192
61M2P032A0200
61M2P032A0200(50)
61M2C032A0200
61M2P032A0200G
61M2P032A0200GC
61M2C032A0200R
61M3P032A0200
61M4P032A0200
61M6P032A0200
61M6P032A0200S01
61M6C032A0200
61M2P032A0210
61M6P032A0210
61M2P032A0215
61M2P032A0220
61M2P032A0220G
61M2P032RL0160
61M2P032A0295
61M2P032A0300
61M2P032A0300W(40)
61M2P032A0180W
61M2P032A0220W
康茂盛953-000-P15-23电磁阀的实际用途