MSGK-I型高压开关柜通电试验台

发布时间:2018-11-08
MSGK-I型高压开关柜通电试验台产品介绍

MSGK-I型高压开关柜通电试验台是上海徐吉电气有限公司生产销售MSGK-I型高压开关柜通电试验台,简单介绍 本目录是上海徐吉电气有限公司为您精选的MSGK-I型高压开关柜通电试验台产品,欢迎您来电咨询该产品的详细信息!MSGK-I型高压开关柜通电试验台的种类有很多,不同的应用也会有细微的差别,本公司为您提供全方位的解决方案。

MSGK-I型高压开关柜通电试验台详细介绍

本目录是上海徐吉电气有限公司为您精心提供

MSGK-I型高压开关柜通电试验台

MSGK-I型高压开关柜通电试验台用于高低压开关柜生产厂家对所生产的高低压开关柜进行出厂前的各项通电试验。它能提供各种交、直流电源,便于对开关柜的检测,提高工作效率。
一、技术参数:
输入电源:三相四线AC380V
输出电压及电流:
三相AC 0 – 10A输出(〈100V,可调值〉 一组
三相AC100V输出 (固定值) 一组
交流操作电压输出 AC 0~400V, 220V时,电流小于10A
直流操作电压输出 DC 0~260V
5、 直流合闸电源输出 DC 0~300V(额定电流100A,短时工作电流300A) 一组
6、单相AC220V输出(固定值,插座形式) 二组,
7、三相AC380V输出(固定值,接线柱) 一组,
8、外形尺寸:560*520*850MM
9、重量:45KG


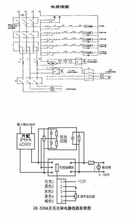
二、MSGK-I型高压开关柜通电试验台面板示意图及线路原理图

三、MSGK-I型高压开关柜通电试验台功能说明
1、输出线接线柱前串接10A、16A空气开关作为短路保护。根据用户特殊要求,参数中3 – 4项,可以同时合分闸,没有互锁。请用户注意使用中的要求。
蕞好每次只能有一组电源输出工作。
2、技术参数中6–7项不受接触器控制,只要电源开关闭合,即可输出单相AC220V输出(固定值)、三相AC380V输出(固定值),
3、直流合闸电源输出DC 0 -300V(大容量)是独立的单元 ,可以脱离主体柜,单独使用;也可以与主体柜合并使用,直接从柜体后面板直流300V输出接线柱输出。其详细说明见第五:HZGK-300A开关合闸电源。
4、三相转换开关K1、三相AC380V电压表、
四、操作说明
以检验单相交流电压表为例:
接通输入电源AC380V
连接交流操作电压输出电源线至电压表
检查并确认接线是否,接通电源开关
将调压器回零,并按“合闸“扭,
再按面板上交流操作电压的“合闸”扭
缓慢调节输出调节旋扭,使电压升到要求值,观察电压表的情况。
试验完毕后,先按面板上交流操作电压的“分闸“扭
再按面板上“分闸”扭。然后,断开电源开关

五、GK-300A开关合闸电源,外配电源(根据用户要求选配)。
本电源由全控三相整流模块、移相触发电路、自动调节电路、吸收回路组成。
晶体管智能控制模块将复杂的自动调节电路、晶闸管和触发电路集成为一体,通过调节控制信号电压的大小,改变晶闸管导通角的大小,从而实现对电源进行调节、自动控制的功能。
触发电路系统、晶闸管、导热底板相互绝缘隔离,介电强度大于2500V,使用安全方便。三相整流模块输入端无相序限制。可适用于阻性、感性负载。
使用说明:
1.接通三相四线AC380V
2.将输出DC300V接至负载
3.将输出调节旋扭逆时针旋转至零位。
4.检查并确认接线无误
5.将电源开关闭合
6.缓慢调节输出调节旋扭,将电压升起到达合适值。
7.试验完毕后,先将输出调节旋扭逆时针旋转至零位,再断开电源开关,待放电完毕后,才能开始解线。

上一篇:6FC5163-6FB01-3A...
下一篇:Siemens/西门子PLC模块...