特点:1.仪表结构简单、可靠,无可动部件,工作寿命长。2.无截流阻流部件,不存在压力损失和流体堵塞现象。3.无机械惯性,响应快速,稳定性好,可应用于自动检测、调节和程控系统。4.具有管道式、插入式便于安装。5.具备一体型和分体型便于选择。6.测量精度不受被测介质的种类及其温度、粘度、密度、压力等物理量参数的影响。7.采用聚四氟乙烯或橡胶材质衬里和Hc、Hb、316L、Ti等电极材料的不同组合可适应不同介质的需要。8.采用EEPROM存贮器,测量运算数据存贮保护安全可靠。9.多种信号传输方式和电源供电方式。10.高清晰度LCD背光显示。
二:化工污水处理计量表 技术参数:
|
项目 |
管道式 |
插入式 |
|
|
公称痛径 |
DN15~DN2600 |
≥DN200 |
|
|
介质电导率 |
≥5μS/cm |
≥5μS/cm |
|
|
基本误差 |
0.5级,1.0级(随口径区分) |
±2.5%F.S |
|
|
流速范围 |
0.5~10m/s 1~5m/s |
0.5~10m/s |
|
|
环境温度 |
传感器-40℃~80℃,转换器-15℃~50℃ |
-40℃~+55℃ |
|
|
介质温度 |
≤120℃(聚四氟乙烯或F46)被测介质大于120℃时,订货时加以说明 |
-20℃~+55℃ |
|
|
连接方式 |
GB/T9119-2000标准法兰 |
GB/T9119-2000标准法兰螺纹连接,球阀规格:DN50 |
|
|
工作压力 |
DN15~DN80:4.0Mpa, DN100-DN150:1.6Mpa,≥ND400:1.0Mpa,特殊规格订货请注明 |
0.25Mpa~4.0Mpa特殊规格订货时请注明 |
|
|
输出信号 |
电流输出:4~20mADC(负载电阻0~500Ω),频率输出:0~1kHZ(负载电阻≥3000Ω),电压输出:0~5VDC |
||
|
消耗功率 |
≤15W |
≤15W |
|
|
供电电源 |
交流:~220V,50Hz:直流:+24V |
交流:~220V,50Hz:直流:+24V |
|
|
衬里材料 |
聚四氟乙烯;橡胶;F46;聚氟合乙烯(FS);聚氨酯橡胶 |
无 |
|
|
电极材料 |
0Cr18Ni12Mo2Ti,哈氏合金B,哈氏合金C,钽,钛,不锈钢涂覆碳化钨 |
||
|
通信接口 |
RS-232;RS-485;HART |
RS-232;RS-485;HART |
|
|
安装形式 |
一体式;分体式 |
一体式;分体式 |
|
|
励磁方式 |
低频脉冲直流励磁 |
低频脉冲直流励磁 |
|
|
电气接口 |
M20×1.5螺纹 |
M20×1.5螺纹 |
|
3.9.4仪表参数说明
仪表参数决定仪表的运行状态、计算方法、输出方式。正确地选用和设置仪表参数,可使仪表运行在佳状态,能得到较高的测量显示精度和测量输出精度。
仪表参数设置功能设有5级密码。其中,0~3级为用户密码,第4级为制造厂密码。用户可使用第4级密码来重新设置第1~3级密码。另外,还设有量清零密码专门用于累计计数回零。
无论使用哪级密码,用户均可以察看仪表参数。但用户若想改变仪表参数,则要使用不同级别的密码。
第0级密码(固定值0521):用户能察看所有的参数,但不可修改;
第1级密码(出厂值7206):用户能改变1~25仪表参数;
第2级密码(出厂值3110):用户能改变1~29仪表参数;
第3级密码(出厂值2901):用户能改变1~38仪表参数;
第4级密码(固定值):用户能改变所有的参数和进行参数初始化。
建议由用户较高级别的人员掌握第3、4级密码;第3级密码,还可用于设置量清“0”密码;第0~2级密码,由用户决定何级别的人员掌握。
3.9.4.1测量管道口径

LDG型电磁流量计转换器可按查表形式选择配套的公称通径为3~3000mm范围的传感器。
3.9.4.2流量量程设定
流量量程是指流量测量的上限流量值(满量程)。上限流量值是针对输出信号和百分比显示而言的。它与电流输出上限值和频率(脉冲)输出上限值及显示值相对应。与之相关联的还有用百分比流量表示的小信号切除和限报警。本转换器的流量显示与流速显示在规定的范围内不受流量量程的限制。
在流量量程设定参数中选择流量显示单位,仪表流量显示单位有,体积流量单位:L/s、L/min、L/h、m3/s、m3/min、m3/h和质量流量单位:kg/s、kg/m、kg/h、t/s、t/m、t/h,用户可根据工艺要求和使用惯,选定一个合适的流量显示单位。
注意:仪表用5位有效数字显示流量值,末位数值的后面显示有流量的单位
3.9.4.3 量程自动切换
转换器具有可选的两个量程自动切换功能,可方便地用于昼夜流量变化范围大的自动控制测量系统。在“流量量程设定”菜单下设置的量程值为量程(高量程)。在“量程自动切换”菜单下可选择1:2、1:4或1:8作为第二量程(低量程),第二量程值为量程值的1/2、1/4或1/8。
图5.1是量程比为1:4的量程自动切换曲线。为切换安全可靠,自动设置有5%~10%的滞后特性。当切换量程后,PDIR(FDIR)端子输出低电平(0V)为量程(高量程);端子输出高电平(+12V)为第二量程(低量程)。同时,测量界面上行指示可提示当前量程比为1:1、1:2、1:4或1:8。
3.9.4.4测量阻尼时间
长的测量阻尼时间能提高仪表流量显示稳定性及输出信号的稳定性,适于具有流量调节的情况使用;短的测量阻尼时间可以加快测量反映速度,适于量累计的脉动流量测量。测量阻尼时间的设置采用选择方式,用户选一个阻尼时间值,即可使用。
3.9.4.5流量方向选择
如果用户认为调试时的流体方向为正,而仪表显示为负,则将流量方向设定反向,反之亦然。
3.9.4.6流量零点修正
在电磁流量传感器的测量管内充满导电流体,并且流体处于静止不流动,转换器已经对流量计的零点做了智能化处理。若所配传感器的零点出转换器的智能处理范围,用户需要进行流量零点修正。流量零点是用流速表示的,单位为m/s。转换器流量
显示中:上行“基准”代表仪表零点的测量值,下行显示是流量零点修正值。当“基准”显示不为“0”时,应调修正值使基准=0。注意:若改变下行修正值,“基准”值增加,需要改变下行数值的正、负号,使“基准”能够修正为零。
再次提醒:流量零点修正必须在电磁流量传感器的测量管内充满导电流体,并且流体处于静止不流动条件下进行。流量零点的修正值是传感器的校验常数值,应记入传感器的记录单与标牌。记入时传感器零点值是以包含符号、m/s为单位的流速值。
3.9.4.7小信号切除点
小信号切除点设置是用量程的百分比流量表示的。选择允许小信号切除时,将切除流量、流速及百分比的显示与信号输出;选择禁止时,则不进行任何切除。
3.9.4.8 变化率限制与不敏感时间
图5.2 用变化率限制技术消除粗大误差噪声
“变化率限制值”与“不敏感时间值”是用来消除某些增加阻尼不能除去的噪声。它能够从真实的流量信号中判别出阶跃信号引起的噪声和浆液尖状噪声。这种判别是以变化率的限制和持续时间为依据的。图5.2所示为使用变化率限制技术去除粗大误差的原理说明。该功能为在前面采样中获得的流量数据经一阶滤波后的,设定某一上限和下限(变化率)。如果当前采样的流量数据过或低于这个极限值,而且在过或低于这个极限值的变化时间之内,则认为这种变化是由于噪声所引起的,CPU予以切除;而当过或低于这个极限值的变化在设置的不敏感时间以外,则认为这种变化是由于真正的流量变化所引起,CPU就认可是测量流量的变化。
本产品的变化率设置范围可在0~30%内选定,不敏感时间可在0~20s内选择。当变化率限制值和不敏感时间值两者任一个为0时,这种功能将被关闭。一般值为:变化率限制值为10%,不敏感时间值为3s。
注意,短时间的测量,特别是传感器出厂校验时不可使用这种功能。
3.9.4.9流量积算单位
转换器显示器为10位计数器,大允许计数值为9999999999。使用积算单位为L、m3、USgal、Igal和kg、t。并有以0.001、0.01、0.1、1.0为倍率的上述单位显示。可方便读出一段时间的累计流量。
3.9.4.10 被测流体密度
本转换器具有质量流量测量功能。根据流量量程设置选择的质量流量单位,可以确定被测流体的密度单位。密度设置可在0.001~9.999范围之内。但不能使密度值为0。否则流量测量的结果为零值。
3.9.4.11电流输出类型
用户可在电流输出类型中选择0~10mA或4~20 mA的模拟电流输出。
3.9.4.12脉冲输出方式
脉冲输出方式有频率输出和脉冲输出两种供选择。频率输出为连续方波;脉冲输出为矩形波脉冲串。频率输出多用于数字的瞬时流量测量和短时间量累积;脉冲输出通过脉冲当量选择,可读出累计流量的容积值,多用于长时间直接容积单位的量累积。
频率输出和脉冲输出为OC门输出形式。因此,应外接直流电源和负载。具体见第3.4.5节的图3.6。
3.9.4.13脉冲当量选择
脉冲当量定义:每个脉冲代表的体积或质量流量。
在同样的流量下,脉冲当量小,则输出脉冲的频率高,适于电子计数器累计流量;脉冲当量大,输出脉冲的频率低,适于用于高频率可达25次/秒的机械式电磁计数器计数。
脉冲当量可以选择0.0001L/p、0.001L/p、0.01L/p、0.1L/p、1.0L/p、2L/p、5L/p、10L/p、100L/p、1m3/p、10m3/p、100 m3/p和1000 m3/p。脉冲输出上限可达5000cp/s。
脉冲宽度可以选择:自动、10ms、20ms、50ms、100ms、150ms、200ms、250ms、300ms、350ms和400ms。在选择脉冲宽度时,要考虑不能与脉冲输出的大频率冲突。
3.9.4.14频率输出满度
仪表频率输出满度对应于流量测量上限,即百分比流量的。频率输出上限值可在1~5000Hz范围内任意设置。
3.9.4.15空管报警允许
仪表具有空管检测功能,若用户选择允许空管报警,则当仪表检测出空管状态时,即将仪表模拟输出、数字输出置为信号零,同时将仪表流量显示为零。
3.9.4.16电极报警阈值
本产品空管报警和电极报警是用恒流源方法实测传感器电极电阻,来做智能判断。按电磁流量计信号内阻公式:
式中——电极直径,
——流体电导率,电极电阻一般在5~50kΩ。测量电阻与流体电导率、电极直径有关。测量电阻能够反映电极表面污染、附着以及受电解质流体极化影响等不同情况。流体不充满,电极不能正确检测感应信号。测量电阻向CPU提供电极状况信息,由CPU做出空管和电极异常的判断,转换器提请用户做出适当的电极维护。
本产品改善了空管报警的智能化程序,仅以初测的电极电阻值为基础,选择适当的电极电阻阈值(一般取初测电极电阻值的3倍值为参考阈值)。恒流源方式测电阻使测量不受电缆长度影响,从而使操作更加简便,检测更加可靠。
3.9.4.17上限报警允许
用户选择允许或禁止。
3.9.4.18上限报警阈值
上限报警值以量程百分比计算,该参数采用数值设置方式,用户在0%~199.9%之间设置一个数值。仪表运行时,当流量百分比大于该值时,仪表将输出报警信号。
3.9.4.19下限报警允许
用户选择允许或禁止
3.9.4.20下限报警阈值
下限报警阈值以量程百分比计算,该参数采用数值设置方式,用户在0%~199.9%之间设置一个数值。仪表运行时,当流量百分比小于该值时,仪表将输出报警信号。
3.9.4.21反向测量允许
反向测量允许设置在“允许”状态,当流体反向流动时,转换器按反向流量值输出脉冲和电流,反向量进行累积。反向测量允许设置在“禁止”状态,当流体反向流动时,转换器输出脉冲为“0”,电流输出为信号“0”(4mA 或0mA),但反向量仍然进行累积。
3.9.4.22量清零密码
在该参数设置中,用户置入“积算量清零”的密码,仪表确认密码无误后,自动完成积算量清零。同时将三个积算器清为零值,重新开始累积。
“积算量清零”密码可以在用3级密码进入设置状态后,在“清积算量密码”菜单下置入您想要设置的“积算量清零”密码,修改原来的“积算量清零”密码。注意:请记下您的“积算量清零”密码。
3.9.4.23传感器系数值
仪表配套的传感器出厂校验单或产品标牌上,应标有“传感器系数”。用户应将“传感器系数”置入仪表的传感器系数值参数中。
3.9.3.24励磁方式选择
转换器能向传感器提供四种励磁方式。用户可根据被测流体实际情况选择一种。通常可以使用方式1励磁,方式2,3适合于大口径清洁水测量。注意,种励磁方式下工作,传感器就必须在该种励磁方式下。
3.9.4.25仪表系数
该系数为人为设定的系数。转换器内部计算时,流量是测量流量乘以该系数值。例如,应用于具有仿真传感器的明渠测量潜水电磁流量计或现场后对仪表进行修正。
3.9.4.26正向量预置和反向量预置
用于更换转换器时保留原先流量积算值的累数值,以便于保持连续累计量。
3.9.4.27输入控制选择
本转换器具有接点输入控制功能,主要用于远程累计量清零、累计量同步显示和批量控制输入。
选择“输入禁止”时,该功能被取消。选择“累积停止”时,使用与换向器同步开关,可以使转换器的流量积算器与其它标准容器或标准流量积算器同步计数,同步停止。在一定权限下选择“累积清零”时,可以清掉流量积算器的积算值。
3.9.4.28电流零点修正
转换器出厂时电流输出零点调节,使电流输出准确为0mA或4mA。
3.9.4.29电流满度修正
转换器出厂时电流输出满度调节,使电流输出准确为10mA或20mA。
3.9.4.30出厂系数
转换器制造厂用该系数使仪表励磁电流和信号放大器规格标准化。
3.9.4.31传感器编码
传感器编码记载配套的传感器出厂时间和编号,以确保设置的传感器系数准确无误。
3.9.4.32转换器编码
转换器编码记载转换器出厂时间和编号。
3.9.4.33时间 年、月、日、时、分、秒(带时钟功能)
用户使用4级密码进入,可改时间 年、月、日、时、分、秒;
3.9.4.34用户密码1~3修改
用户使用4级密码进入,可修改此密码;
3.10附加功能(选项)说明
3.10.1掉电计时功能
本功能只适用于带有掉电计时功能的转换器。仪表内部设有不掉电实时时钟,能够自动累计掉电时间多达10000小时,掉电次数10000次,同时可保存40~256条掉电、上电的时间以及掉电时刻的瞬时流量记录。当40~256次掉电记录记满后,将循环保存新的掉电记录。
3.10.1.1显示掉电次数及累计掉电时间
在自动测量状态,按“下换下行显示内容,即可浏览停电次数和累计停电时间。
3.10.1.2 浏览掉电和上电时间记录
秒钟则返回流量测量显示状态。若无任何键按下,三分钟后将自动返回测量显示状态。掉电记录显示格式如下例所示:
+ 168.74 m3/h
No. 07/12/22 13:35:05
01 07/12/23 10:45:20
该记录表示:条掉电记录(),停电时间为07年12月22日13点35分05秒,重新上电时间为07年12月23日10点45分20秒,掉电时的瞬时流量为168.74m3/h,该次掉电时间长度为21小时10分钟。
3.10.1.3清除掉电记录
先按住“复用3级以上的密码进入参数设置状态,选择“停电计时清零”项目后,输入“量清零密码”(默认值为36666)即可。
3.10.2 定量控制功能
本功能只适用于带有定量控制功能的转换器。
3.10.2.1菜单设置
定量控制功能的设置主要与两个菜单项有关系:“流量积算单位”和“定量控制设置”。详细说明如下:
l 流量积算单位
流量积算单位可以选择0.001m3、0.01m3、0.1m3、1.0m3、0.001L、0.01L、0.1L、1.0L。
l 定量控制设置
该菜单用以设置定量值。例如:2.000m3。
3.10.2.2与定量控制有关的显示内容
行可切换显示:
+ 0000043.000 m3 (正向累积量)
DL 2.000 m3 (定量值)
+ 0000045.000 m3 (目标累积量)
上例表示,当前累积量为43.000m3,定量值为2.000 m3,则继电器断开的目标值为45.000m3。
3.10.2.3操作说明及步骤
l 要保证测量方向为正向测量和累积。
l 设置定量值。
l 由端子IN+和IN-引出线接启动按钮或启动控制信号(参见图3.7),用来实现定量控制启动同步。当按一下启动按钮,转换器记录当前累积量,并根据定量值计算出目标累积量,开始计数。当目标值到,输出继电器信号。
l 定量控制的继电器接点由端子ALM+和ALM-输出。当定量目标值达到时,继电器接点为断开;当定量目标值未达到时,继电器接点为闭合。
l 继电器接点的大允许功率为60W。
3.11自诊断信息与故障处理
电磁流量转换器的印刷电路板采用表面安装技术,对用户而言,是不可维修的。因此,用户不能打开转换器壳体。
智能化转换器具有自诊断功能,除了电源和硬件电路故障外,一般应用中出现的故障均能正确给出报警信息。这些信息在显示器右上方提 符号。在测量状态下,通过下 显示出故障内容如下:
流 量 正 常
励 磁 报 警
电 极 正 常
电 极 异 常
空 管 报 警
故障处理:
转换器与电磁流量传感器一同组成电磁流量计进行流量测量,因此在处理转换
器故障前,请应首先确认管线流体流动状态、传感器、系统接线等是正常的!
3.11.1仪表无显示
a) 检查电源是否接通;
b) 检查电源保险丝是否完好,保险丝的更换应是同型号规格的;
c) 检查供电电压是否符合要求;
d) 检查显示器对比度调节是否能够调节,并且调节是否合适;
e) 如果上述前3项a)、b)、c)都正常,
f) 当查不出问题时,请将转换器交生产厂维修。
3.11.2 励磁报警
a) 励磁接线EX1和EX2是否开路;
b) 传感器励磁线圈电阻应小于150Ω;
c) 如果a)、b)两项都正常,则转换器有故障。
3.11.3 空管与电极报警
l 测量流体是否充满传感器测量管;
l 用导线将转换器信号输入端子SIG1、SIG2和SIG GND三点短路,此时如果“空管报警”和“电极异常”提示撤消,说明转换器正常,有可能是被测流体电导率低或电极被气体覆盖缘故。
l 检查信号连线是否正确;
l 电极异常
在传感器有流体充满的情况下,使用如500型指针式万用电表,电阻×1kΩ档,检查传感器电极电阻。万用电表红色试笔分别接电极,黑色试笔接接液电极(接液环或金属管道),万用电表指针自左向右摆动,指示约至3~50kΩ,然后自右向左放电,两电极向右摆动的差值不过20%,否则说明电极被污染、覆盖。
使用数字万用表分别测量DS1和DS2对接液点(接液电极、接液环、金属管道)之间的直流电压应小于1V,两电极之间的直流电压差值应在50mV以下。否则说明传感器电极被极化。
3.11.4上限报警
上限报警提示出输出电流和输出频率(或脉冲)都限。将流量量程改大可以撤消
上限报警。
3.11.5下限报警
下限报警提示出输出电流和输出频率(或脉冲)都限。将流量量程改小可以撤消
下限报警。
3.11.6 系统设置错误
已在流量量程设置、流量积算单位设置和脉冲当量设置中做出智能判断并提示,方便修改设置。
3.11.7系统自检报警,
若系统自检报警, 则请将转换器交生产厂维修。
3.11.8 测量的流量不准确
l 被测量流体是否充满传感器测量管,管道内是否有气泡;
l 信号线连接是否正常,绝缘是否下降,接地是否良好;
l 检查传感器系数、传感器零点、出厂系数是否按传感器标牌或出厂校验单
设置正确;
l 检测传感器电极与液体的接触电阻和电极绝缘是否良好。
3.11.9 通讯故障检查
l 232/485转换接口性能不好。不同厂家的转换接口性能差异很大。
l 通讯线材质不好。必须是带屏蔽层的双绞线,如果是普通平行线,则会因为分布电容的影响,
传输距离不会太远,传输速度也上不去。
l 通讯线接错位置或者通讯线接反。
l 上位机的仪表地址、波特率和仪表里面设置不一样。
l 协议不对,有的协议是两字节命令发送,有的协议是4字节命令发送。
l 通讯距离过1000米,或者现场电磁干扰太大,这时应该增加中继器来增加通讯传输能力。
l 现场测试时,好是直接用电脑通过一根短线直接和仪表相连,这样就排除掉了线材、环境电磁干扰等诸多因素,可以对232/485接口、接线或通讯协议迅速作出判断。
我们的产品保证:质保一年。
|
“雷击”功能 |
采用防雷电保护设计电路,高效抗干扰电路,适用各种恶劣环境 |
|
传感器零点修正以及自动校零 |
见操作说明 |
|
故障自诊断功能并报警提示 |
能准确检测出传感器励磁回路、电极信号回路、转换器等的故障并显示报警&, , , , amp;, amp;, amp;, amp;, amp;, lt;, /o:p> |
|
空、满管检测功能 |
采用电容式技术的空满管检测技术 |
|
瞬时流量和累积流量双向测量功能 |
正反向流量均可測量 |
|
在线调整流向的功能 |
见操作说明 |
|
多种流量单位可供选择 |
m3/h,l/h,kg/h,t/h,m3/m.l/m, |
|
阻尼时间设置功能 |
见操作说明 |
|
小信号切除功能 |
见操作说明 |
|
多种输出方式 |
16位数字电流环 4~20mA输出、0 ~5KHz频率输出、脉冲当量输出 |
|
在线输出校准功能 |
见操作说明 |
|
累积量清零功能 |
见操作说明 |
|
累积量预设置功能 |
见操作说明 |
|
多种励磁频率设置功能 |
6.25 Hz、12.5 Hz、25Hz |
|
宽范围电源模式 |
DC:18V~36V 和 AC:85V~265V |
应根据被测介质的腐蚀性,磨损性及温度来选择
|
规 格 代 码 |
说 明 |
|||
|
仪表种类 |
JKM-LDE |
智能管道式化工污水处理计量表 |
||
|
通径代码 |
-XXX |
例:150表示DN150,若通径后I插入式 |
||
|
电极形式 |
1 |
标准固定式 |
||
|
2 |
式 |
|||
|
3 |
可拆卸更换式 |
|||
|
电极材料 |
0 |
不锈钢 |
||
|
1 |
铂(Pt) |
|||
|
2 |
哈氏B(HB) |
|||
|
3 |
钽(Ta) |
|||
|
4 |
钛(Ti) |
|||
|
5 |
哈氏C(HC) |
|||
|
内衬材料 |
3 |
氯丁橡胶 |
||
|
4 |
聚氨酯橡胶 |
|||
|
5 |
F4(PTFE) |
|||
|
6 |
F46(FEP) |
|||
|
7 |
F40(E-TFE) |
|||
|
8 |
P0(聚丙烯) |
|||
|
9 |
PPS(聚丙硫醚) |
|||
|
额定压力(MPa) |
4.0 |
DN18-80 |
||
|
1.6 |
DN100-150 |
|||
|
1.0 |
DN200-1000 |
|||
|
0.6 |
DN1100-2000 |
|||
|
0.25 |
DN2200 |
|||
|
工作温度 |
E |
≤80℃ |
||
|
H |
≤180℃ |
|||
|
接地环 |
0 |
无接地环 |
||
|
1 |
有接地环 |
|||
|
防护等级 |
0 |
IP65 |
||
|
1 |
IP68 |
|||
|
转换器形式 |
0 |
一体式 |
||
|
1 |
分体式 |
|||
|
外壳材料 |
0 |
碳钢 |
||
|
1 |
不锈钢 |
|||
|
表体法兰 |
0 |
碳钢 |
||
|
1 |
不锈钢 |
|||
|
安装配对法兰 |
0 |
不带 |
||
|
1 |
带 |
|||
|
供电电源 |
0 |
220VAC |
||
|
1 |
24VDC(Iour≥0.5A) |
|||
|
仪表量程 |
(XXX) |
例:3000表示对应大量程3000m3/h |
||
J-KM-LDE系列一体式化工污水处理计量表 由LDG-S型电磁流量传感器和转换器配套组成一组,口径从10mm至1200mm,其结构紧凑,安装方便,测量精度高,抗干扰性好。
JKM-LDE系列一体式化工污水处理计量表 由LDG-S型电磁流量传感器和转换器配套组成一组,口径从10mm至1200mm,其结构紧凑,安装方便,测量精度高,抗干扰性好。
高压化工污水处理计量表 专门用于石油勘查,地质或油田系统测量高压条件下泥浆高压注水等介质的流量。
潜水型化工污水处理计量表 是环保局使用的污水排放用明渠流量仪表。
我公司本着“关注客户,开阔进取”的质量方针。选用的人才贯彻ISO9000标准采用,技术,配备精良设备,提高和改进产品质量和完善的售后服务,把我们的产品和服务奉献给广大客户,满足顾客的要求。
JKM-LDE系列化工污水处理计量表 口径从10mm到1200mm。主要用于化工,钢铁,煤炭,给排水,造纸,食品,纺织印染等工业领域。测量酸,碱,盐等强腐蚀性及液固两相流体的体积流量,可与显示,记录仪表积算器或调节器配套,对流量进行检测,积算,调节和控制,并可实现信号的远距离传送。仪表的安装形式有一体式和分体式。
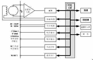
二 工作原理
化工污水处理计量表 传感器是根据法拉第电磁感应原理工作的,如图一所示。在测量管轴线和磁场磁力线相互垂直的管壁上安装了一对检测电极,当导电液体沿测量管在交变磁场中磁力线成垂直方向运动时,导电液体切割磁力线产生感应电势,此感应电势由测量管上两个检测电机检出,数值大小如下所示:
E=KBVD
式中: E—感应电势; D—测量管内径;
B—磁感应轻度; V—平均流速;
K—与磁场分布及轴向长度有关系的系数;
三、化工污水处理计量表 性能简介
口径 :DN10-1200
电极材料:1Cr18Ni9Ti 0Cr18Ni12Mo2Ti /// Ti Ta Hb Hc等
内衬材料:聚四氟乙烯 氯丁橡胶 /// 聚氨酯橡胶
介质:导电性液体(含固液二相)
介质导电率 :>20μ s/cm
配套度等级:0.5 1.0
流速范围:0.5m/s~10m/s
工作温度:-25℃~150℃(橡胶衬里≤80℃)///(聚氨酯衬里≤45℃)
工作压力:4.0Mpa~0.6 Mpa(按口径分)
工作电流:≤0.5A配LDZ-4B,4B(S)型 /// ≤0.25A配LDZ-5型 LDZ-6型
防护等级:标准型IP65(防喷水)///特殊型IP67(防浸水)/// IP68(防潜水)
配 套:LDZ-4B,4B(S)型
转换器型号:LDZ-5型 LDZ-6型
输出型号:0~10mA DC或4~20mA DC ///1~5000Hz(配LDZ-6型)
通讯接口:RS485,RS232C(配LDZ-6型)
防爆等级:Exdmia II BT4
适用电源:传感器由转换器供电 /// 传换器电源 220V 50Hz ///*24V DC(配LDZ-6型)
应 用:酸碱等腐蚀液;矿浆,泥浆 /// 纸浆等两相液;给排水系统
法兰连接:机标JB/T81-94(口径250-1200) ///GB9119-88(口径10-200)///或按用户需要
安装形式:分体式
*长度A是不包括端部衬里在内的测量管长度。衬里厚度δ,安装长度应为A+2Δmm(氯丁橡胶衬里厚δ约6MM,聚四氟乙烯衬里厚约2.5mm,接地环厚度另计)
五 化工污水处理计量表 口径的选择
5.1选择传感器的口径与连接的工艺管道口径相同
传感器通常选用与工艺管道相同的口径,这样安装方便。但它的前提是管内流体的流速应在常用范围内。一般工业用化工污水处理计量表 的满量程流速范围为1~4m/s。可按不同的测量对象选择。
列如:对于带有颗粒的易造成磨损的流体,常用流速≤3m/s;对于易粘附管壁的流体,常用流速≥2m/s。流量,流速与口径三者关系见图7。
5.2化工污水处理计量表 选择传感器的口径与连接的工艺管道口径不相同
这种选择适用以下几种情况:
A、管道内的流速偏低,工艺流量又较稳定,为满足仪表对流速范围的要求,在仪表部分提高流速,选择传感器口径小于工艺管道口径,在传感器的前后加接异径管。
B、从价格上考虑,对于大口径的化工污水处理计量表 ,口径越大,价格越高。对管道内流速偏低,工艺参数较稳定的情况,可选用口径娇小的传感器。这不仅可使仪表运行在较好的工作状态下,还可降低仪表的投资费用。
5. 化工污水处理计量表 3加装异径管应注意的问题
A、异径管锥角的选择
为了在安装异径管后不过多影响流速场的分布,不影响化工污水处理计量表 的精度,要径管的中心 a不大于15°,越小越好。这样可把异径管视为直管段的一部分。
B、加装异径管会产生压力损失,的压力损失有三部分组成
六化工污水处理计量表 电极材料的选择
根据被测介质的腐蚀性,由用户负责选定。对一般介质,可查有关防腐手册,选定电极材料。对混酸等成分复杂的介质,应做挂片试验。
7. 化工污水处理计量表 寸里材料的选择
化工污水处理计量表
化工污水处理计量表 选型注意事项
.实际高工作压力必须小于流量计的额定工作压力。
.高工作温度和低工作温度必须符合流量计规定的温度要求。
.确定是否有负压情况存在。
.测洁净介质时,经济流速是1.5-3m/s,测易结晶的溶液时,应适当地提高流速,3-4m/s为宜,起到自清扫,防止粘附沉积等作用,测矿浆等磨损性流体时,应适当降低流速,1.0-2m/s为宜,以降低对内衬和电极的磨损。实际应用很少过7m/s,过10m/s则更为罕见。
|
口径mm |
流量范围m3/h |
口径mm |
流量范围m3/h |
|
φ15 |
0.0636~6.36 |
φ450 |
57.23~5722.65 |
|
φ20 |
0.11~11.30 |
φ500 |
70.65~7065.00 |
|
φ25 |
0.18~17.66 |
φ600 |
101.74~10173.6 |
|
φ40 |
0.45~45.22 |
φ700 |
|
|
φ50 |
0.71~70.65 |
φ800 |
|
|
φ65 |
1.19~119.4 |
φ900 |
228.91~22890.6 |
|
φ80 |
1.81~180.86 |
φ1000 |
406.94~40694.4 |
|
φ100 |
2.83~282.60 |
φ1200 |
553.90~55389.6 |
|
φ150 |
6.36~635.85 |
φ1600 |
723.46~72345.6 |
|
φ200 |
11.3~1130.4 |
φ1800 |
915.62~91562.4 |
|
φ250 |
17.66~1762.5 |
φ2000 |
10 |
|
φ300 |
25.43~2543.40 |
φ2200 |
8.4 |
|
φ350 |
34.62~3461.85 |
φ2400 |
7.6 |
|
φ400 |
45.22~4521.6 |
φ2600 |
1910.38~191037.6 |
化工污水处理计量表 应根据被测介质的腐蚀性磨损性和温度来选择内衬材料
衬里材料耐腐蚀性能工作温度适用范围
氯丁橡胶Ne耐一般低浓度酸碱盐的腐蚀-20~70℃工业用水污水低浓度酸碱盐
聚氨酯橡胶PO有极好的耐磨性能,于强磨损性浆液,不耐腐-10~60℃含固体颗粒的液体(水泥浆矿浆等)
聚全氟乙丙烯FEP1耐热耐腐蚀性与PTFE相当
2机械强度高,抗磨损性能好
3内表光滑,不易粘附沉淀物
4有很好的耐负压,抗真空作用-40~180℃除砂浆等强磨损性介质外的所有流体。与PTFE一样,能用于饮料等有卫生要求的介质
化工污水处理计量表 选型谱
|
型号 |
口径 |
|
||||||||
|
JKM-LDE |
10~2600 |
|||||||||
|
|
|
代号 |
安装形式 |
|
||||||
|
Y |
一体式 |
|||||||||
|
F |
分体式 |
|||||||||
|
|
代号 |
转换器型号 |
||||||||
|
ZA |
圆形 |
|||||||||
|
ZB |
方形(仅适用于分体式) |
|||||||||
|
|
代号 |
供电形式 |
||||||||
|
AC |
(交流)220V AC 50Hz(90~245V AC 50Hz) |
|||||||||
|
DC |
(直流)24V DC (20~36V DC) |
|||||||||
|
LD |
锂电池供电(不带信号输出) |
|||||||||
|
|
代号 |
输出信号 |
||||||||
|
|
I.4 |
4~20mA |
||||||||
|
|
f |
频率 1KHz |
||||||||
|
|
Rs |
串行通讯(485) |
||||||||
|
|
C |
控制输出 |
||||||||
|
|
|
代号 |
防爆要求 |
|||||||
|
N |
无防爆 |
|||||||||
|
EX |
防爆(仅适用于分体式) |
|||||||||
|
|
代号 |
介质温度 |
||||||||
|
T1 |
≤65℃ |
|||||||||
|
T2 |
≤120℃ |
|||||||||
|
T3 |
≤180℃(仅适用于分体式) |
|||||||||
|
|
代号 |
内衬材质 |
||||||||
|
NE |
氯丁橡胶(≤65℃) |
|||||||||
|
PVC |
聚氯乙烯(≤70℃) |
|||||||||
|
PTFE |
聚四氟乙烯(≤180℃) |
|||||||||
|
|
代号 |
电极材质 |
||||||||
|
316L |
不锈钢 |
|||||||||
|
HC |
哈氏合金C |
|||||||||
|
HB |
哈氏合金B |
|||||||||
|
Ti |
钛 |
|||||||||
|
Ta |
钽 |
|||||||||
|
Pt |
铂 |
|||||||||
化工污水处理计量表 产品售后说明:
所有产品将提供十八个月的免费保修、包换服务:十八个月之内,非人为原因造成的质量问题,我公司均免费保修或更换新表。终生维修,只能收成本费。