管道加热器供货商

发布时间:2019-03-18

管道加热器供货商  气体电加热器主要是用来将所需要的空气流从初始温度加热到所需要的空气温度,可达500℃。已被广泛的应用到航空航天、管道加热器供货商  熔喷非织造、薄膜、化工工业和高等校等许多科研生产试验室。

管道加热器供货商  气体加热器要抵抗高温空气的氧化作用,因此材料必须选用不锈钢。气体管道电加热器的发热元件为不锈钢电加热管。加热器内腔设置多个折流板,可延长空气在加热器内腔滞留时间,以提高热交换效率。适当增加加热管数量,提高空气加热器的装机功率,可缩短生产线开车升温时间。空气电加热器使用的范围宽:可以对任何气体加热,产生的热空气干燥无水份、不导电、不燃烧、不爆炸、无化学腐蚀性、无污染、安全可靠、被加热空间升温快(可控)。
管道加热器 是一种对物质预先加热的节能设备,它安装在物质设备之前,实现对物质直接加温,使其在高温中循环加热作用,管道加热器供货商  终达到节约能源的目的。它广泛应用于重油,沥青,清油等燃料油的预先加热的场合。
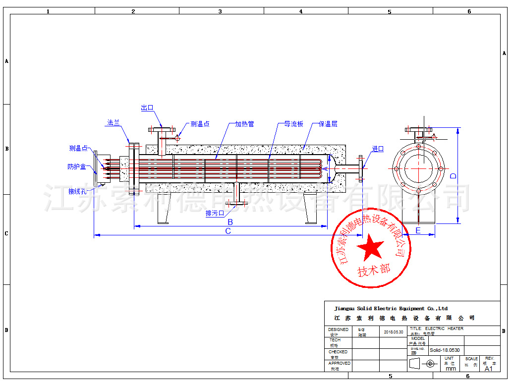
管道加热器有本体和控制系统两部分组成,发热元件采用不锈钢钢管做保护套管,高温电阻合金丝,结晶氧化镁粉,经压缩工艺成型,控制部分采用的数字电路,集成电路触发器、高反压可控硅等组成可调测温、恒温系统,保证了电加热器的正常运行。
管道电加热器主要运用于空气、液体的加热器,如水,导热油,空气,材质使用有碳钢和不锈钢材质,不锈钢以304不锈钢等为主,具有机械强度高、耐热、抗腐、不易结垢等优点。
管道加热器分为两种模式:一种是采用管道加热器内部的法兰式管状电热元件倒插在管道加热器中的反应釜夹套中加热导热油,将管道加热器中的热能传输给管道加热器内部反应釜中的化工原料。 
  
  还有一种方式是直接在管道加热器中的反应釜中插入管道加热器中的管状电热元件或在管道加热器的壁四周均匀分布电热管。这种模式称为管道加热器的内热式。管道加热器的内热式升温快、效率高
在安装时控制柜应安装在干燥通风,便于操作的地方。水管道加热器外壳、控制柜外壳应可靠接地,管道加热器应水平安装,底座螺母要拧紧使其稳固。本体与外接管道安装时,应注意进出口方向。管道加热器在使用前应测量电源接入端子与金属外壳绝缘电阻不得低2MΩ,使用环境相对湿度不大于85%。电源线的出、入端应牢固可靠,不得松动。 使用前首先检查电源线、管道加热器供货商  测温元件输出连线是否正确,控制柜元器件、螺母是否松动损坏,如有异常及时拧紧或更换,确认无误后可通电试车。主要步骤如下:

1、合上管道开关,电源指示灯亮,数显表控制灯亮并显示所测温度指示值。
2、温度的设定
3、温度设定好之后,如无异常情况即可按下“加热器工作”按钮,交流接触器吸合,固态继电器进线端得电,由数显控温表所输出PID信号控制加热器工作。初次开机时,可能出现温度过冲现象,但逐渐趋向恒定范围之内。


管道加热器供货商  日常的维护与保养是管道加热器特别是控制部分,系精密仪器,运输时要小心轻放,严禁冲击、撞打。简体部分应合理吊装,以免变形损坏内部发热元件。水管道加热器及控制柜放在库内,严禁淋雨。常见故障与维修

故障一:电源指示灯不亮,数显表不工作,电压表无指示。 检查管道开关是否合上,控制回路熔丝是否完好。

故障二:加热器温度不上升。 检查熔断器是否完好,电加热器是否损坏?

故障三:三相不平衡。

(1)检查三相进线电压是否缺相。
(2)打开管道加热器防护罩,管道加热器供货商   用万用表检查单支电热元件是否断路,然后用配套扳 手更换,更换时特别注意不损坏橡胶垫圈,万一损坏了橡胶垫圈,一定要使用完好的橡胶垫。

应用范围
当管道加热器中的远红外线辐射到一个物体上时,可发生管道加热器的吸收、反射和透过。管道加热器被加热干燥的物质在一定深度的管道加热器内部和管道加热器的表层分子同时吸收远红外辐射能,管道加热器产生自发热效应,管道加热器供货商  使管道加热器中的溶剂或水分子蒸发,管道加热器的发热均匀,从而避免了管道加热器由于热胀程度不同而产生的形变和质变,使管道加热器的物质外观、物理机械性能、牢度和色泽等保持完好。管道加热器广泛应用于汽车、纺织、印染、染料、造纸、自行车、冰箱、洗衣机、化纤、陶瓷、静电喷涂、粮食、食品、制药、化工、烟草等行业,达到管道加热器的快速干燥的目的。管道加热器具有辐射效果好,管道加热器的节电显著,使用、维修方便等优点,管道加热器的加热也特别适用于皮革机械大型烘房、烘箱、流水烘道。

管道加热器厂家直销江苏索利德电热设备有限公司是一家以设计、生产、销售电加热产品的综合性企业,座落于位于古老的盐阜大地,黄海之滨——盐城。 江苏索利德电热设备有限公司致力于为客户提供“质的电热技术服务方案”。公司主营电加热管,电加热设备,电磁加热设备等产品的生产加工。 公司本着“与客户成为战略合作伙伴”的经营理念,始终坚持“做质量,服务的综合性企业”。愿与电热环保界朋友精诚合作,提供更好更的服务和更更的产品。 公司主营产品分三大类:电热元件,电加热设备,电磁加热设备。 企业宗旨:以质量求生存,管道加热器供货商 以科技求发展 企业目标:为客户提供“质的电热技术服务方案”。 江苏索利德电热设备有限公司的诚信、实力和产品质量获得业界的认可。欢迎各界朋友莅临参观、指导和业务洽谈、指导!

上一篇:cod氨氮总磷检测仪
下一篇:美国PKB轴承 PKB厂家 PK...