新品上市日本CKD化学液体用手动阀MMD303RN-15BUP-F

技术规格:
使用流体 化学液体、纯水、空气、氮气(注1)
流体温度 ℃ 5~120
耐压力 MPa 1.0
使用压力(A→B) MPa 0~0.5 参阅下图“使用压力”
使用压力(B→A) MPa 0~0.5 参阅下图“使用压力”
阀座泄漏 cm3
/min 0(水压)
背压 MPa 0~0.5
环境温度 ℃ 0~60
安装方式 自由
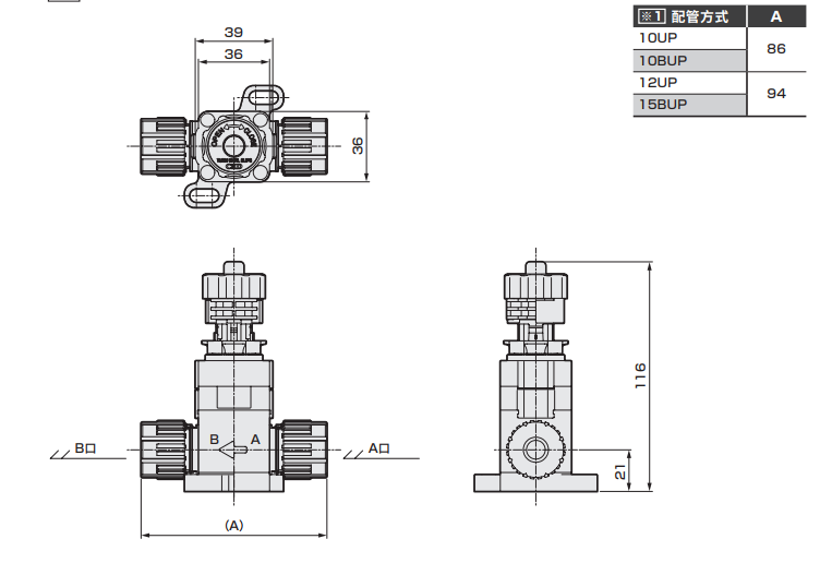
配管方式 ODφ10・φ12配管连接(接头一体型)
OD3/8"・1/2"配管连接(接头一体型)
通径 φ8 φ10
Cv值 1.25 1.8
无法用于紧急切断阀等。
本产品样本中记载的阀并非紧急遮闭阀等安全用途的阀。
此类系统时,请在采取其他可靠的安全确保手段的基础上使用。
■ 错误的元件选型及操作不仅会使本产品发生故障,还可能导致客户的系统故障。
关于元器件选型及操作,应由用户负责确认与本产品规格及用户系统的适用性,然后正确使用。
■ 关于使用流体
产品构成材质与所使用流体、环境气体的适用性,
请以第20页的适用性核对表为基准进行确认后再使用。
关于核对表以外的流体以及新使用的流体(也包括浓度不同的流体),请事先与本公司确认、协商。
■ 关于流体温度
请在规格规定的流体温度范围内使用。
■ 关于使用压力
请在产品目录记载的规格中的使用压力范围内使用。
■ 关于周围环境
①请确认产品构成材料与环境气体的适用性后,再使用。(请勿在腐蚀性气体、爆炸性气体环境中使用。)
②产品本体上请勿附着流体。
③请在环境温度范围内使用。
④请勿在有振动、冲击的场所、周围有热源的场所以及室外使用。

新品上市日本CKD化学液体用手动阀MMD303RN-15BUP-F