脉冲电流法与线性电流耦合器
电缆的高阻与闪络性故障由于故障点电阻较大(大于10倍的电缆波阻抗),低压脉冲在故障点没有明显的反射(反射脉冲幅度小于5%),故不能用低压脉冲反射法测距。脉冲电流法是将电缆故障点用高电压击穿,使用仪器采集并记录下故障点击穿产生的电流行波信号,通过分析判断电流行波信号在测量端与故障点往返一趟的时间来计算故障距离。脉冲电流法采用线性电流耦合器采集电缆中的电流行波信号。

冲击高压闪络测试的接线示意图,线性电流耦合器L放置在储能电容C接电缆外皮的接地引线旁。L实际上是一个空心线圈,与地线中电流产生的磁场相匝链。设时间t2与t1时电流分别为i2与i1,t1小于t2但接近t2,根据电磁感应定律求出线圈的输出电压:
V=K(i2-i1)/(t2-t1)=KΔi/Δt (4.1)
其中参数K是一取决于线圈匝数、形状及与地线相对位置的常数,电流变化量:
Δi=i2-i1,
时间变化量:
Δt=t2-t1。
说明,线性电流耦合器的输出电压与地线电流的变化率成正比,而不是与地线中电流本身成正比。
直流高压闪络测试法
1. 应用范围
直流高压闪络测试法(简称直闪法)用于测量闪络击穿性故障,即故障点电阻极高,在用高压试验设备把电压升到一定值时就产生闪络击穿的故障。
据统计,能用直闪法测量的电缆故障,约占电缆故障数的20%,在预防性试验中出现的电缆故障多属于该类故障。直闪法获得的波形简单、容易理解。而一些故障点在几次闪络放电之后,往往造成故障点电阻下降,以致不能再用直闪法测试,故实际工作中应珍惜能够进行直闪测试的机会。
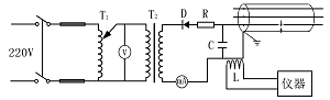
2. 接线
直闪法接线如图4.3所示,T1为调压器、T2为高压试验变压器,容量在0.5~1.0千伏安之间,输出电压在30~60千伏之间;C为储能电容器;L为线性电流耦合器。
线性电流耦合器L的输出经屏蔽电缆接测距仪器的输入端子。注意:一般线性电流耦合器L的正面标有放置方向,应将电流耦合器按标示的方向放置,否则,输出的波形极性会不正确。

储能电容C对高频行波信号呈短路状态,在故障点击穿产生的电压、电流行波到达后,起产生电流信号的作用,可选用脉冲电容器,也可使用6千伏(直流高压在30千伏以下时)或10千伏(直流高压在30~50千伏之间时)电力电容器,电容容量宜选在1~4微法。实际测试中,应尽可能使电容容量大一些,这有助于使故障点充分放电,获得的脉冲电流波形规范,容易识别。
在实际测试中,往往出现因接线或线性电流耦合器L放置不当而造成的波形不规范,不容易识别故障点距离。应严格按图4.3接线,把高压发生器接地线与电容器低压侧出线连接在一起后接电缆的外皮。图4.4是一种不正确的接线方法,操作人员往往图方便,把电容低压侧出线接在接地网上,通过接地网与电缆外皮相接。行波经过接地网传播,可能因传输距离较长,造成脉冲电流波形不规范。应尽量缩短电容与电缆之间的连线,以避免因导引线过长造成波形失真。线性电流耦合器L应放在电容器低压侧出线上。
