振动式密度计AHD-05
振动式密度计价格,振动式密度计购买价格怎么使用生产厂家
振动式密度计价格,振动式密度计购买价格怎么使用生产厂家
振动式密度计价格,振动式密度计购买价格怎么使用生产厂家
产品编码:RYS2217208
在线式密度(浓度)传感器是一种连续在线测量液体密度的仪表,主要用于工业过程自动化控制。根据介质密度变化产生相应的4-20mA 模拟信号,同时可经过转换输出数字信号便于远程校准与监控。根据工业过程的不同,密度可以表示为 :Brix 度,GL 度,Baume 度、Plato 度和浓度百分比。
在线式密度(浓度)传感器可广泛应用于现场管道上、敞口或密闭储存罐等工业现场,可连续、实时在线测量管道或罐体的液体密度。
产品特点:
* 直接密度或浓度读数,可采用的工程单位包括:
g/cm3、kg/m3、比重、°Brix、°Baume、°Plato、°GL、固体百分比含量等
* 适用于流动或静止液体
* 适用于管线和罐体密度测量
* 采用一体化结构,无活动部件
* 标准的工业型和卫生型过程连接
* 转换器可选配GPRS无线远传功能
* 仪表内置温度传感器,提供的温度补偿

* 在线远程校验,数字化本地显示
* 工厂多点线性修正,精度更高
* 现场重新校准:无需标准参考源、无需实验校准、无过程中断
* 转换器兼容壁挂、嵌入、台式三种安装方式
* 转换器采用触摸屏显示,界面更友好
技术参数:
性 | 精度(1) | ±0.001 g/cc | ±1.0 kg/m3 | ||
工作范围(2) | 0~3 g/cc | 0~3000 kg/m2 | 0~187.4lb/ft3 | ||
重复性 | ±0.0001 g/cc | ±0.1 kg/m3 | ±0.006 lb/ft3 | ||
过程温度影响(已校正)(3) | ±0.0001 g/cc | ±0.1 kg/m3 | (每 °C) | ||
过程压力影响(已校正)(4) | 忽略不计 | ||||
过程温度(5) | – 50 ℃ 至 +150 ℃(– 58 ℉ 至 +302 ℉) | ||||
环境温度 | – 40 ℃ 至 +85 ℃(– 40 ℉ 至 +185 ℉) | ||||
大工作压力(6)(7) | TQ-886(短杆) | 3000 psi (207 bar) | |||
TQ-886(长杆) | 1400 psi (100 bar) | ||||
试验压力 | 在大工作压力1.5倍的压力下进行测试 | ||||
防护等级 | IP65 | ||||
结 | 接液部件 | TQ-886(短杆) | 不锈钢 316L、合金 C22、合金B3、合金 400、锆或钛 |
TQ-886(长杆) | 不锈钢 316L | ||
电子部件外壳 | TQ-886(短杆) | 铝合金铸件 | |
TQ-886(长杆) | 铝合金铸件 | ||
插齿抛光 | TQ-886 | 标准、 PFA 涂层或电抛光 |
重 | 重 量 | TQ-886(短杆) | 典型值为4.3KG |
TQ-886(长杆) | 取决于杆长 | ||
特性 | 电源要求 | 电压 | 24VDC(需四线制) |
输出 | 频率输出 | 电源线上的电源调制2线制(4-20mA) |
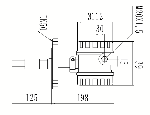
外形尺寸:

免费保修一年,提供终身售后维护服务。
联系人:肖敏(肖小姐)
电话:
手机:
QQ:3101372085
邮箱:@163.com
北京瑞亿斯科技有限公司