LB-KZL口罩呼吸阻力检测仪

LB-KZL型口罩呼吸阻力检测仪用于测定面罩及口罩在规定条件下的吸气和呼气阻力。适用于口罩生产厂、*劳动防护用品检验机构对面罩及口罩产品进行相关的检测和检验。
TAJ1001-2015《PM2.5防护口罩》 第6.9条 “呼吸阻力”
GB2626-2019《呼吸防护 自吸过滤式防颗粒物呼吸器》第6.5条 吸气阻力 、第6.6条 “呼气阻力”
GB/T 32610-2016 《日常防护型口罩技术规范》第6.7条吸气阻力、第6.8条呼气阻力
GB2890-2009 《呼吸防护 自吸过滤式防毒面具》第“6.9吸气阻力测试”条款
GB 19083-2010《医用防护口罩技术要求》 5.4气流阻力
1. 电源:220V、50Hz。
2. 呼气及吸气阻力测量流量计,采用质量流量计测量,量程:0~100L/min,精度:1级。
3. 呼气及吸气流量连续可调。
4. 呼气及吸气阻力测量差压传感器,量程:±1000Pa。
5. 用于测量吸气阻力的气泵,气量120L/min。
6. 用于测量呼气阻力的抽气泵,气量120L/min。
7. 配备GB2626标准中要求的大、中、小号头模各1件。
8. 试验程序可设置呼气检测、吸气检测两种模式。
9. 仪器采用触摸屏操作,可扩展性强,控制系统稳定。采用Detection控制程序应可实现对检测数据进行实时监控及曲线显示,数据可存储、导出及历史数据查询等功能。
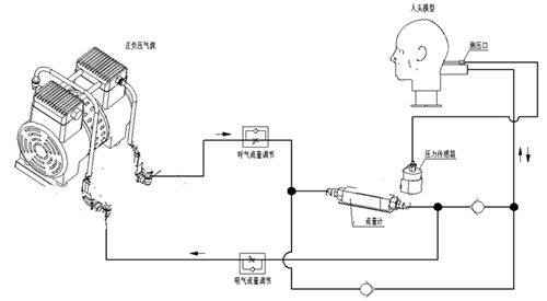
本装置主要由试验头模及呼吸管道、测压管、差压传感器、流量计、调节阀、电磁阀、气泵、控制系统等组成。

1.装置主要由试验头模及呼吸管道、测压管、差压传感器、流量计、调节阀、三通阀、气泵、控制系统等组成。
2. 试验程序可设置呼气检测、吸气检测两种模式。
3. 呼气及吸气流量连续可调。
4. 头模可更换。
5. 仪器采用触摸屏操作,采用Detection控制程序可实现程序控制、数据采集、数据存储及历史数据查询等功能。程序完全按照标准执行,重复性好。
6.历史数据可通过U盘导出。
