菲尼克斯定时继电器ETD-SL-1T-DTF 2866161
继电器特点:
菲尼克斯电气的时间继电器可轻松经济地实施时间控制应用,时间范围涵盖从毫秒到数天。
通过外壳正面的操作元件轻松配置设备,优势显著。浮地PDT输出实现快速故障指示和选择性关机。
可在菲尼克斯电气所能提供的四个产品类别中根据具体应用选择适用的时间继电器。
灵活智能:带OLED显示器的多功能时间继电器可通过NFC和智能手机应用程序实现通信
紧凑型时间继电器配备安装壳体,特别适合楼宇安装以及设备和系统量产应用
6 mm时间继电器配备插拔式桥接件和系统布线附件,节省空间,安装轻松
宽域供电的多功能时间继电器,功能齐全,全球通用
时间继电器是COMPLETE line系统的一部分
时间继电器调节*,操作简便,优势显著。通过OLED显示器和按钮,轻松可靠地控制时序。
◾借助OLED显示器和按钮组合,直接在设备上轻松操作
◾直观的时间设置,无需计算或校验
◾显示器采用OLED技术,信息详细,便于读取
◾可直接在设备上读取具体时序
◾可选择通过NFC和智能手机应用进行通信
产品图片:


技术条件:
机械寿命 约 2x 107次
额定功耗 2.5 VA (1 W)
测试电压继电器线圈/继电器触点 4 kV
组装说明 安装在标准DIN导轨NS 35上(符合EN 60715)
外壳绝缘材料 聚酰胺PA,阻燃
允许湿度(运行) 15 % ... 85 %
额定频率 48 Hz ... 63 Hz
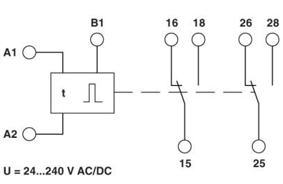
连接名称 非浮地型,端子A1-B1
负载容量 并联开关*小负载电流为1VA (0.5W),端子A2-B1
电缆长度 < 10 m
控制脉冲长度 *小 70 ms
菲尼克斯定时继电器ETD-SL-1T-DTF 2866161