质优价廉康茂盛气压筒40М2Т100А0120
综合参数:
介质 洁净空气,不需润滑。如使用了油雾润滑,应不间断地使用油雾润滑(建议使用 ISO VG32 润滑油)
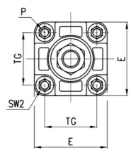
材料 铝合金端盖和活塞,AISI 420B 不锈钢活塞杆(缸径 160 和 200)或镀铬钢活塞杆(缸径 250 和 320),
镀锌钢杆端螺母,阳极氧化铝合金缸筒,镀锌钢拉杆和拉杆螺母,丁腈橡胶密封件, 黄铜杆端挡圈
安装方式 拉杆,前法兰,后法兰,脚架,中部耳轴,前耳轴,后耳轴,转角支架,旋转组合支架
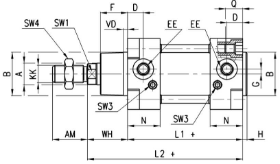
行程 10 ÷ 2500 mm
工作方式 双作用
工作温度 0 ÷ 80°C(干燥空气为 -20°C
工作压力 1 ÷ 10 bar
速度 10 ÷ 500 mm/s (空载)
产品型号:



代号 类型 类型 工作方式 缸径 (Ø) 行程 杆密封件
40M2L160A0250 拉杆型气缸 标准 双作用 160 250 NBR
40M2L160A0300 拉杆型气缸 标准 双作用 160 300 NBR
40M2L160A0080 拉杆型气缸 标准 双作用 160 80 NBR
40M2L160A0100 拉杆型气缸 标准 双作用 160 100 NBR
40M2L160A0050 拉杆型气缸 标准 双作用 160 50 NBR
40M2L160A0075 拉杆型气缸 标准 双作用 160 75 NBR
40M2L160A0125 拉杆型气缸 标准 双作用 160 125 NBR
40M2L160A0150 拉杆型气缸 标准 双作用 160 150 NBR
40M2L160A0160 拉杆型气缸 标准 双作用 160 160 NBR
40M2L160A0200 拉杆型气缸 标准 双作用 160 200 NBR
质优价廉康茂盛气压筒40М2Т100А0120