索引:传统的差分探头的共模抑制比在高频段下降很快,导致准确测量高共模干扰电压下的小电压信号波形(比如测量半桥电路的上管的驱动电压)极其困难。OP6030釆用了的射频隔离技术,从而在整个工作带宽(50MHz)内具有高的共模抑制比,可以帮助我们的客户用很低的成本完成这类挑战性的测量。
一、概述:
在开关电源﹑电机驱动器、新能源逆变器、变频器﹑照明电源﹑变频家电和其它电气功率装置等的研发﹑调试或检修工作中,需要对高共模电压情况下的差模小信号进行准确测量,比如上桥 MOSFET 栅极驱动信号测量或者SIC、GaN 高速驱动波形的测量;传统的浮地信号测试方案是选用差分探头,由于差分探头的共模抑制比在高频段下降很快,无法解决SIC、GaN等新材料的测试难题。
本应用指南由深圳市优测科技提供将介绍射频隔离探头的特点,并解释了它在高共模电压情况下的特殊优势:用于差模小信号的检测!

二、隔离探头特点:
1.双量程设计,可测量的差分电压为30V/3V
2.带宽高达50MHz
3.输入输出完全隔离,隔离电压1500V
4.输入端具有较高的输入阻抗和较低的输入电容
5.自动调零功能设计
6.输出端是标准的BNC输出接口,可配合任何厂家示波器
三、操作步骤:
(1) 测试前用户应估计被测电压幅值,插入合适的衰减器,此时前端盒的绿色电源指示灯点亮,探头前端开始工作。
(2) 插入 12V 电源到后端盒,后端盒的绿色电源指示灯点亮,探头后端开始工作。
(3) 连接好探头后端和示波器之间的 BNC 信号线,根据衰减比设置好示波器或者其它测量仪器的衰减比例;根据被测电压的大小,调整好示波器的灵敏度。
(4) 把衰减器的 SSMB 插头插入被测电路的 SSMB 插座。
(5) 按自动调零按钮进行调零。
(6) 接通被测电路的电源,开始测量。
(7) 测试时探头前端盒应尽量架空,尽量远离高压脉冲电路以减小对探头的干扰。
(8) 由于探头前端是和被测电路的高压直接相连的,所以测试完毕后必须先关闭被测电路电源,然后才能取下探头。
(9) 为了能够更好的节省电池电量,在探头不使用时请拔掉前端的探头衰减器以关闭前端电源。
(10) 当前端盒的电量指示灯为黄色时请及时充电。
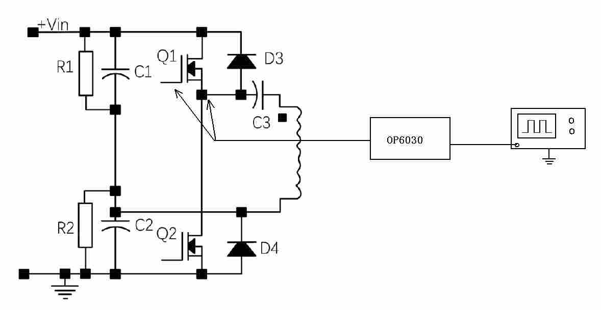
四、示意图:
下图是典型的测量上桥 Vge 驱动信号的连接示意图:

五、使用注意事项:
当测量具有较高浮地电压的信号时,身体的任意部位不要触摸探头前端盒。