介绍世格两位三通电磁阀237-1178 230VAC型号规格
特性概览:
线圈绝缘等级F
连接器铲形插头(Ø6-8 mm或Ø6-10 mm的电缆)
连接器规格EN 毫米,行业标准B型(01型)
或ISO 4400 / EN 175301-803,A型(02型)
电气安全IEC 335
电气外壳保护模制IP65(EN 60529)
标准电压DC(=):24V-48V
(可根据要求提供其他电压和60 Hz)AC(〜):24V-48V-115V-230V / 50 Hz
内容简介:
•阀门为防止液体,灰尘或其他污染物的侵入提供了环境保护。
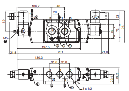
电磁操作滑阀具有螺纹端口连接和NAMUR接口
•同一滑阀可适用于3/2 NC或5/2功能,以进行控制
双作用和单作用执行器
•滑阀的所有排气口都是可连接的,从而提供了更好的环境
防护。特别用于敏感区域,例如无尘室和
在制药和食品加工领域的应用
其他异物(环保建筑)
•符合IEC 61508标准的单稳态滑阀(2010路线2H
版本)已通过TÜV(551系列)和EXIDA(551-553系列)的完整性
级别:HFT = 0时为SIL 2 / HFT = 1时为SIL 3
•电磁阀满足所有相关的欧盟指令
压差2-10 bar [1 bar = 100 kPa]
流量(6 bar时的Qv)l / min(ANR)
阀体,端盖铝,黑色阳极氧化
端盖(弹簧复位)填充玻璃纤维的PA
滑阀内部零件Zamak,不锈钢,POM,铝
密封件NBR + PUR
芯管黄铜
芯和螺帽不锈钢
遮阳线圈铜
介绍世格两位三通电磁阀237-1178 230VAC型号规格

