性能好康茂盛电磁阀 二位五通 单稳式354-015-02
技术明细:
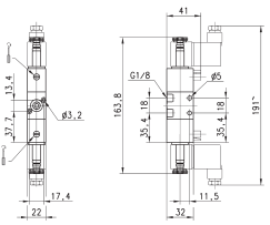
3系列电磁阀,带G1 / 8和G1 / 4端口已在3/2中设计,
2 x 3 / 2、5 / 2、5 / 3版本以及以下两种驱动装置:
-电动气动带机械弹簧复位
-电动气动外部和内部气压供应
结构形式 滑阀型
阀位机能 二位三通,双二位三通,二位五通,三位五通(中封、中泄、中压)
材料 铝阀体,不锈钢阀芯,丁腈橡胶密封件
接口 G1/8 - G1/4
安装位置 任意
工作温度 0 ÷ 60°C (干燥空气为 -20°C)
工作压力 见各阀相应的参数
介质 经过滤的压缩空气,无需油雾润滑。
如果使用油雾润滑,应不间断地使用油雾润滑(使用 ISO VG32 润滑油)
选型资料:
Series 3 valves are equipped with a
manual override which allows a stable
operation and they can use Series U or Gsolenoids (22x22).
These solenoid valves, which have
electropneumatic actuation and
spring return, are available in the NC
(closed) or NO (open) version.
Pneumatically actuated valves 3/2
NC become NO when the supply is onconnection 3.
性能好康茂盛电磁阀 二位五通 单稳式354-015-02

