德国BALLUFF凸轮开关巴鲁夫产品销售
碎屑等环境中正常运行
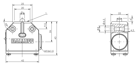
免维护自润滑挺杆导管带有滑动轴承套
Viton®材质制成的高品质密封件防护等级为IP67的双腔系统:无磨损隔膜具有密封分离挺活塞和开关内部的结构
免维护、自润滑挺杆导管带有滑动轴承套
*重要的优势
即使在恶劣环境中也可靠而坚固
能在振动、冲击负荷、温度波动、腐蚀性冷却润滑剂及多
特点即使面对焊接触点时,您是否也格外关注可靠的开关过程?那么请为您的急停或限位挡块等安全功能配备巴鲁夫安全开关。其开关过程由一个坚硬的活塞触发,这个活塞驱动带强制断开功能的机械式开关元件。活塞发生移动时便会断开触点。这将会是您可靠,安全的选择。
使用寿命长即使在面对焊接触点时,您是否也格外关注可靠而安全的开关过程?那么请为您的急停或限位档块等安全功能配备巴鲁夫安全开关。其开关过程由一个坚硬的活塞触发,这个活塞驱动带强制断开功能的机械式开关元件。挺杆发生反向移动时便会断开触点。有用的信息:一个组合行程开关中的安全开关点位数量是任意的,并且可与标准开关元件组合。
在九个不同的型号系列中您可从五种挺杆结构中选择:顶部、滚珠、滚动轴承、滚子和带刮板的顶部。也为您提供大量连接类型。
不具备强制断开功能的机械组合限位开关中,由一个伸缩式活塞执行开关过程。在其帮助下,一个机械式开关元件连接至一个独立的密封腔中。具体情况之下,选择*的活塞形状并搭配巴鲁夫的凸轮至关重要。它们可确保您的应用系统拥有较长的使用寿命。
具有IO-Link功能
六种型号系列
视型号系列而定*多拥有16个接口
功能指示功能可选
坚固的外壳适合极端应用
也带感应式开关位置
防护等级IP67这类开关是自动控制、定位与
安全开关元件受结构限制尤其在较小的机械式单个限位开关中无法实现。相反带强制断开功能的解决方案已经克服了这一难题。其开关过程由一个坚硬的活塞触发,这个活塞驱动带强制断开功能的机械式开关元件。挺杆发生移动时便会断开触点。由此您即使面对焊接触点也能够可靠地掌控
终端断开的指令发出装置。在机床和压力机上、在灵活的加工中心、机器人、安装和输送装置中以及在机械和设备制造中。它们成熟的设计原理和众多可用的开关过程以及坚持不懈的控制保证了始终不变的高质量和可靠性。
德国BALLUFF凸轮开关巴鲁夫产品销售

