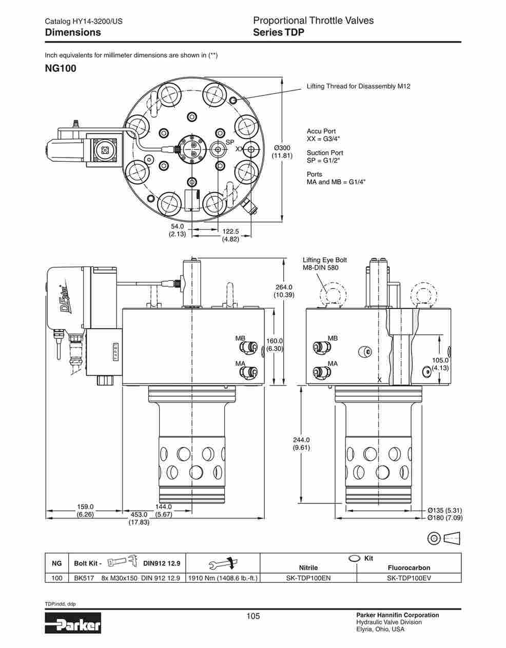
PARKER TDP100EH79C2NE0
宁波思承流体技术*进口欧美原装液压产品。
势的是:派克,力士乐,哈威,穆格,威格士,阿托斯,胜凡,力度克等
势:布赫,马祖奇,丹尼逊等欧美液压件。
别的进口液压的也可询价,我司直接德国拿货的,自己公司直接报关,可提供报关单。
目前胜凡柱塞泵现货、派克BD15阀、派克F12马达、力度克马达。

特点/优势:
高精度 – 产品质量高,废料率降低及延长机器寿命时间
很快的阶跃响应 – 缩短材料加工过程, 并因此缩短循环时间
供货周期短 – 无需库存
主动先导操控二通高响应阀
插件安装孔及安装界面符合 ISO 7368 (NG125 规格除外)
液流方向 B 至 A 及 A 至 B
带集成电子控制器的完整装配单元
在失去电源和/或液压源的情况下回复到故障安全位置
8 档规格: NG25 至 NG125
技术参数 TDP 系列电液比例节流阀单元
一般参数
设计类型 电液比例节流阀, 二通插装式, 符合ISO 7368
公称规格 NG25 NG32 NG40 NG50 NG63 NG80 NG100 NG125
安装姿态 任意
环境温度 [C] -20…+50
MTTFD 值 (平均无故障工作时间) [years] 50
重量 [kg] 11 13 应要求
抗振强度 [g] 10, 正弦, 5…2000 Hz, 按IEC 68-2-6
30, 随机, 20…2000 Hz, 按IEC 68-2-36
15, 冲击, 按IEC 68-2-27
液压参数
高工作压力 [bar] 油口A, B, X 及SP: 350; 油口XX: 视蓄能器的额定工作压力而定; 油口Y: 高35
工作油液 液压油, 符合DIN 51524…51525
油液温度 [C] -20…+60
油液粘度 范围
PARKER 高响应二通电液比例节流阀单元 - TDP 系列
PARKER TDP 系列高响应二通电液比例节流阀
PARKER TDP025EH79C2NB0
PARKER TDP025EH99C2NB0
PARKER TDP025EH99C2VB0
PARKER TDP032EH79C2NB0
PARKER TDP032EH99C2NB0
PARKER TDP032EH99C2NE0
PARKER TDP032EH99C2NS0
PARKER TDP032EH99C2VB0
PARKER TDP032EH99C2VS0
PARKER TDP040EH79C2NB0
PARKER TDP040EH79C2NS0
PARKER TDP040EH79C2VB0
PARKER TDP040EH99C2NB0
PARKER TDP040EH99C2NE0
PARKER TDP040EH99C2NS0
PARKER TDP040EH99C2VB0
PARKER TDP050EH79C2NB0
PARKER TDP050EH99C2NB0
PARKER TDP050EH99C2NE0
PARKER TDP050EH99C2VB0
PARKER TDP050EH99C2VS0
PARKER TDP063EH79C2NB0
PARKER TDP063EH79C2VB0
PARKER TDP063EH99C2NB0
PARKER TDP063EH99C2NE0
PARKER TDP063EH99C2NS0
PARKER TDP063EH99C2VB0
PARKER TDP080EH79C2NB0
PARKER TDP080EH99C2NB0
PARKER TDP080EH99C2VB0
PARKER TDP080EH99C2VE0
PARKER TDP100EH79C2NB0
PARKER TDP100EH79C2NE0
PARKER TDP100EH99C2NB0
PARKER TDP100EH99C2VB0
PARKER TDP125EH79C2NB0
PARKER TDP125EH99C2NB0
STAR 650-0031X
STAR 650-0032X
STAR STAR 伺服阀 590-20
STAR STAR 伺服阀 650-0031X 伺服阀
STAR Model 550 排量1-75 l/min 中高频响应,总线高压力315Bar 4 孔,ISO 10372-04
STAR STAR 备件 1036-820-20
STAR STAR 阀 200
STAR STAR 伺服阀 550-0311 序列号:M-347697-02
STAR STAR 备件 0360-501-33
parker派克IOS1220EUR 矿物在线检测
parker派克IOS1210EUR 矿物离线检测
parker派克LCM202022 N/A MTD 校准 液压矿物油
parker派克LCM202026 N/A 简装版 - MTD 校准 液压矿物油
parker派克icountOS
parker派克STM6211110
parker派克LCM202021
parker派克便携式颗粒计数仪 LaserCM
EMG SV2-10/64/210/6
HEIDENHAIN 355879-01
HEIDENHAIN 529717-01 RCN 729
PARKER 023-06065-0 P6D3R1C4A2B00
EMG DIM1000-80-B4-IMC005-DCS
EATON 02-352751 KBCG3250DZM22APE7H110
HEIDENHAIN 355879-01 RON 705 18000
HEIDENHAIN 355879-01 RON 705 18000 02S09-04
VOITH CTO-B45102
VOITH CTO-B45102
VOITH DSG-B05143
VOITH 220.00083510 EV2140 NC ATEX
EMG SMI-SE/500/2100/1600/500
BOSCH XDK传感器
BOSCH XDK110
BOSCH 博士跨领域开发套件XDK
BOSCH 工业互联网敏捷方案agileINDU
BOSCH XDK - The Sensor X-perience
BOSCH 博世XDK110基于传感器的产品和物联网(IOT)开发套件
BOSCH 博世XDK110开发套件介绍
BOSCH 博世智能传感|实时采集与数据预处理|XDK
BOSCH 实时振动监测,预测性维护
BOSCH 博世XDK110
BOSCH agileINDU
BOSCH 智能传感器XDK110

宁波思承流体技术有限公司经营的国外进口势有:德国博世力士乐(Bosch-Rexroth)、美国派克(parker)、德国穆格(MOOG)、德国施耐德()、美国威格士(vickers),哈威、德国贺德克(HYDAC),法国施耐德(), 德国西门子(Siemens),法国力度克LEDUC、德国福伊特VOITH、丹麦丹佛斯DANFOSS、丹麦格兰富GRUNDFOS水泵、日本油研YUKEN等等众多。
PARKER TDP100EH79C2NE0
PARKER TDP100EH79C2NE0