P+F传感器NBB1.5-8GM50-E2现货


1、检测距离的衰减性。滑翘为铁质,适合电感式传感器检测;而滑翘被测部分的尺寸略小于标准检测物尺寸(标准被测物尺寸为3倍额定检测距离,此应用中,标准尺寸应为120*120mm),这样的话就会有一定的衰减。
2、现场抗干扰能力。这个是不容忽视的问题,普通电感式传感器容易被电机或变频器干扰,很多技术人员只对在此附近的应用选择相应强抗电磁干扰的传感器。但在汽车制造车间,厂房大,现场技术人员惯使用对讲机沟通,尤其是边走边用对讲机对话时,会不经意的靠近传感器,导致短暂失效。
3、安装方面。随着电感式传感器的普及,传感器不仅仅在电气性能方面有所提升,其机械方面的设计也越来越人性化。要在*的实现人性化安装。减少了多种近似产品的备货和减少了安装、维护的时间。
4、稳定运行的保障。在车厂的使用中,要杜绝任何油污、尘污的侵蚀。另外,滑翘经过轨道时,震动是长期存在的,优异的抗震动性同样是有着非常重要的作用。

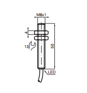
开关点功能 PNP 常开
额定动作距离 sn 1.5 mm
安装 齐平安装
输出极性 DC
可靠动作范围 sa 0 ... 1.215 mm
衰减系数 rAI 0.45
衰减系数 rCu 0.35
衰减系数 rV2A 0.75
额定等级
工作电压 UB 10 ... 30 V
开关频率 f 0 ... 1500 Hz
反极性保护 是
短路保护 脉冲
电压降 Ud ≤ 3 V
工作电流 IL 0 ... 100 mA
漏电流 Ir 0 ... 0.5 mA 典型值 0.1 μA 在 25 ºC 时
空载电流 Io ≤ 15 mA
开关状态指示 黄色 LED 指示灯
符合标准
标准 IEC / EN 60947-5-2
周围环境
环境温度 -25 ... 70 ºC (248 ... 343 K)
机械特性
接线形式 2 m, PVC 电缆
导线截面积 0.14 mm2
外壳材料 黄铜
感应面 PBT
防护等级 IP67
P+F传感器NBB1.5-8GM50-E2现货