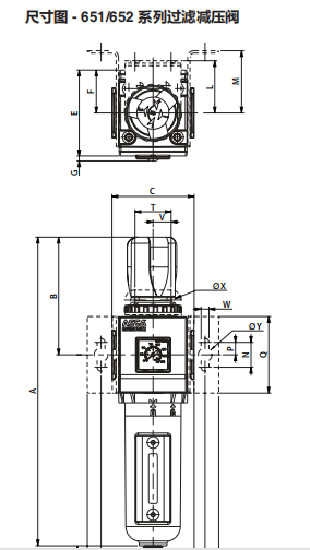
了解纽曼蒂克过滤减压阀订购指南
*号G652APBP4G101HN,带压力表 带支架

过滤/减压阀 特点

• 高流量, 宽调压范围设计, 满足不同工况 • 可选标准型, 内置式, 数字式压力表及数字式压力开关
• 支持-40°F - 176°F (-40°C - 80°C) 低温选项
• 高品质烧结聚乙烯滤芯, 过滤精度5, 25 和 40
• 独有双位排水器, 可实现手动一半自动排水。 更有铜制自动排水器与不锈钢质手动排水器可供选择
• 聚氨酸及全铝杯体, 适用于不同工况与应用
• 提供安全锁及防窜动 手柄设计更安全 • 空气纯净度等级: ISO 8573-1: 2010
美国numatics纽曼蒂克过滤减压阀阀体可以配不同防护要求的线圈,整个装置只须配备同一种阀体。可以大大减少备件的库存,易于更换。所有阀门的动作完全靠直流线圈驱动,进一步减少交流电的影响。无论直流或交流电,满足同样的压力等级。可以避免交流电瞬间峰值带来的声音扰动和发圈的设计采用防电涌保护,采用双向的防电涌保护部分,不需要额外的电路保护。
小功率为0.7W, (先导式,要求供气必须纯净,否则堵塞先导气路造成线圈损坏或阀体不能正常工作)总线小功率为4W,对气源的要求不高,完全满足苛刻工况下的安全可靠性)在设计上阀座与阀体分离,面密封阀体内腔材质的选择上采用合金,故采用很小的启动电流产生的电磁场阀体内腔材质的选择上采用合金,故采用很小的启动电流产生的电场完全驱动阀门的开启。由于功耗低,对于电缆的横截面积要求不高。接线盒为标准配置, 易于安装,不需额外的费用。阀座与阀体分离,小磨损,采用面密封,增加密封的可靠性,避免阀座的粘连问题。

了解纽曼蒂克过滤减压阀订购指南