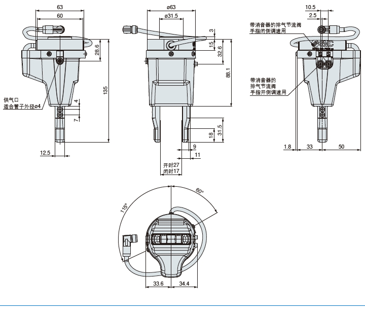
即插即用SMC协作机器人用气爪JMHZ2-X7400B

发布时间:2021-03-11

即插即用SMC协作机器人用气爪JMHZ2-X7400B

即插即用SMC协作机器人用气爪JMHZ2-X7400B

・Plug &Play,可立即使用

 对应URCap,编程简单

・空气驱动,体积小重量轻,但夹持力大

・配备1根供气管,链接M8电气配线接头即可动作

・将电磁阀、速度调节机构一体化

・安装规格:ISO9409-1-50-4-M6

即插即用SMC协作机器人用气爪JMHZ2-X7400B

上一篇:营口SIEMENS西门子PLC中...
下一篇:新疆昌吉回族自治州砌体结构房屋检...