德国BURKERT两位四通电磁阀安装手册189519
8645 型 FreeLINE 自动化系统具有模块化的气动和 电气接口,适合于各种控制应用。气动模块和电气模块可 根据需要任意排列,并首次实现在同一模块上同时具备气 动功能和电气功能。
除了作为集中控制站,也可采用分散的单个模块和/ 或将集中控制站与几个分散设备组合在一起。电气连接 既可采用多针,也可采用现场总线接口。
采用创新的阀门技术与塑料外壳,防护等级高达 IP 67。 8645 型 FreeLINE 自动化系统具有分散系统的独立 性,不需要控制柜。
结构紧凑,带流量控制和手动开关 • 耐腐蚀塑料阀体,接头安装式,也有组合安装式 • 提升/膜片原理,使用寿命长
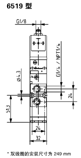
5420 型为先导控制的四通座阀,带伺服 膜片。要进行可靠的开关至少需要 2.5 bar 的 压差。该阀可安装在带公共气源的两通道底 板上。
技术参数 内孔 DN 3.0 mm 阀体材质 聚酰胺 阀内件 不锈钢、塑料 密封材质 NBR 介质 中性介质 介质温度 -10 °C to +60 °C 环境温度 Max. +55 °C 电压允差 ±10% 负载周期 * 连续工作 电气连接 DIN EN 175301-803 (原 DIN 43650) A 形插脚, 配 2508 型电缆插头 防护等级 IP 65,电缆插头插好时 安装方位 可根据需要安装,*将执行机构朝上
德国BURKERT两位四通电磁阀安装手册189519
