火力发电厂有机碳TOC分析仪的执行标准

发布时间:2021-05-06

火力发电厂有机碳TOC分析仪的执行标准

【执行标准】
《DL/T 1358-2014火力发电厂水汽分析方法有机碳的测定》

【产品简介】LB-6360 有机碳(TOCi)分析仪是青岛路博建业环保科技有限公司研发的高精度有机碳测试仪器,本仪器适合火力发电厂水汽中有机碳的分析,适用于水汽中TOC和TOCi含量在10μg/L~1000μg/L水样的测定。

【执行标准】《DL/T 1358-2014火力发电厂水汽分析方法有机碳的测定》

【工作原理】          

本仪器采用紫外线及催化剂催化的作用下氧化的原理,将样品中的有机物氧化为二氧化碳,二氧化碳的测试采用的是电导率测试技术,通过测试经过氧化反应的样品的碳含量和未经过氧化反应的样品无机碳的含量差值来测定有机碳含量,即:有机碳(TOC)=碳(TC)-无机碳(TIC),当有机物仅含有碳氢氧不含其他杂原子时,氧化后产生的二氧化碳与水中有机碳含量成正比的关系,通过测定氧化器进出口二氧化碳的变化就可以计算出有机物中的碳TOC含量 此时测量的TOC含量与TOCi含量一致。当有机物中除碳外还含有其他杂原子时,氧化后除产生二氧化碳还会产生氯离子、硫酸根、硝酸根、等阴离子,这时通过测量有机物中所有可能产生阴离子的子氧化前后电导率的变化,折算为二氧化碳含量的和即为TOCi含量,而仅测定产生的二氧化碳含量计算得到的是TOC的含量,这种情况下测得TOCi含量大于TOC的含量,TOCi含量更能准确地反映出水中有机物腐蚀性的大小。

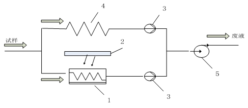
直接电导率原理图: 

火力发电厂有机碳TOC分析仪的执行标准

【产品特点】
在使用、贮存和更换过程中不需要气体或试剂,无移动部件,减少维修和维护成本。 
触摸屏设计,操作方便简易。 
配备大量的储存空间,能够存储大量的测试数据。
中文打印,输出测试参数、测试结果。
仪器采用便携设计,使用轻便,方便移动至取样点。 
当测试样品浓度过规定限度,仪器能够自动报警,并输出控制信号。
仪器采用了科学的用户分级管理和电子签名技术。
采用高灵敏度CPU,增加了数据测试的灵敏度及测试结果的重复性。

技术参数

测量范围

0.001mg/L1.0 mg/L

精度

±3%测试范围

分辨率

0.001mg/L

分析时间

连续分析

响应时间

5分钟之内

检测极限

0.001 mg/L

样品温度

1-95℃

重复性误差

≤ 3%

电源要求/功能

220V

显示屏

彩色触摸屏

【应用领域】
制药用水(纯化水、注射用水)的在线监测和实验室测试,以及清洁验证;
环保测试、电子行业、食品行业、火力发电厂。
【技术支持及售后服务】
半年包换、一年保修、终身维修、免费校验一年

上一篇:常州钢纤维欢迎光临公司
下一篇:欢迎访问-平顶山舞钢塑料疏水盲管...