GB4085-2015于2016-08-01日开始实施,是关于《半硬质聚氯乙烯块状地板》的测试方法,本标准规定了半硬质聚氯乙烯块状地板(以下简称地板)的术语和定义、分类、等级和标记、要求、试验方法、检验规则、标志、运输和贮存。
taber耐磨试验仪可用于半硬质聚氯乙烯块状地板耐磨性能测试,标准集团(香港)有限公司是生产厂家,能够为客户提供各种方案以解决所需问题。
主要参数:
01.试片:外径φ108mm,内径φ6mm;
02.砂轮:φ2″(MAX.52mm)1/2″(W);
03.砂轮中心间距:63.5mm;
04.砂轮与试片盘中心间距:37~38mm;
05.回转速度:60/72转每分钟;
06.荷重:250g,750g,1000g;
07.计数器:LCD液晶显示屏,0~999999,自动停机;
08.试片与吸尘品距离:3mm。
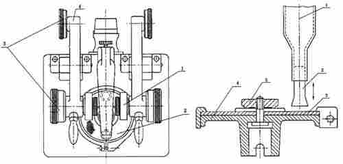
部件构成:

1.水平旋转试验台:直径大于105mm,上表面水平,能够放置试件。试验台能够绕中心轴旋转,转速为60±2rpm。
2.两个包裹皮革片的圆柱形磨轮:磨轮由金属或者硬塑料制成,直径为42mm,宽度为12.7mm,能够绕固定轴自由旋转。磨轮上包裹的皮革片宽约13mm,厚为4mm~5mm。将一个直径为10mm的钢球放置在皮革上,加载(10±0.1)N的负荷,在30s后皮革片应具有0.3mm~0.5mm的残余凹陷。包裹皮革片的磨轮在*次使用前需用240目的砂纸进行500转打磨。两个磨轮能够在试件表面形成圆环形轨迹,面积约为3000mm2,当包裹皮革片的磨轮直径小于44.4mm时,应更换磨轮。
3.旋转计数器:在达到设定旋转圈数后,能够使旋转平台自动停止旋转。
4.容器:上端开口,能容纳至少200g磨料。容器底部带有高度可调节的落砂管,落砂管底部距离试件表面(10±3)mm,并能迅速关闭。
5.吸尘器:能够吸除磨料和被磨下的颗粒。