是无需外部冷却具备,可在150℃的高温环境下连续使用的高温用载荷传感器。
额定容量:500N~50kN
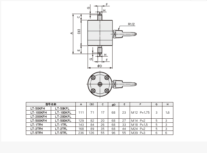
直径:68mm(500N~20kN), 96mm(50kN)
非线性:±0.5%RO或以内
气密构造特点
带机械式挡板(可在500%的状态下动作)
可制作TEDS对应产品

| 额定容量 | 500N |
|---|---|
| 非线性 | ±0.5%RO或以内 |
| 滞后 | ±0.5%RO或以内 |
| 反复性 | 0.05%RO或以下 |
| 额定输出 | 1.5mV/V(3000×10-6应变量)±0.2% |
| 允许使用温度范围 | -10~150℃(接头除外) |
|---|---|
| 温度补偿范围 | -10~150℃(接头除外) |
| 零点温度影响 | ±0.005%RO/℃或以内 |
| 输出温度影响 | ±0.01%/℃或以内 |
| *激励电压 | 20V AC或DC |
|---|---|
| 激励电压 | 1~10V AC或DC |
| 输入电阻 | 350Ω±0.5% |
| 输出电阻 | 350Ω±0.5% |
| 电缆 | 0.3mm2, 4芯屏蔽氟化乙烯树脂线5m, 外径5mm, 前端插头 PRC03-12A10-7M (屏蔽线没有与主机连接) |
| 安全过载 | 200% |
|---|---|
| 过载界限 | 500% |
| 固有频率 | 约1.5kHz |
| 重量 | 约1.7kg (不含电缆) |
选购件 旋转配件 RJ
球头节 TU
吊钩 THD
吊环 TRD外形尺寸图

该产品不能用于质量测量显示的用途