使用全不锈钢制造的带防水接头的拉伸压缩两用型小型载荷传感器。可改装为带有耐反复弯折的电缆(耐弯折电缆)的产品。
额定容量:±50N~±20kN
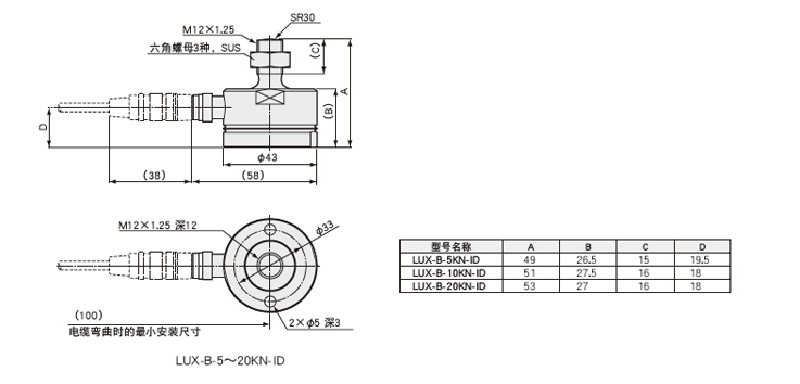
直径:43mm
非线性:±0.1%RO或以内(2kN或以下为±0.15%RO或以内)
高灵敏度特点
便于安装
支持TEDS

| 额定容量 | ±50N |
|---|---|
| 非线性 | ±0.15%RO或以内 |
| 滞后 | ±0.15%RO或以内 |
| 反复性 | 0.05%RO或以下 |
| 额定输出 | 0.85mV/V(1700×10-6应变量)或以上 |
| 允许使用温度范围 | -20~80℃ |
|---|---|
| 温度补偿范围 | -10~70℃ |
| 零点温度影响 | ±0.03%RO/℃或以内 |
| 输出温度影响 | ±0.005%/℃或以内 |
| *激励电压 | 10V AC或DC |
|---|---|
| 激励电压 | 1~5V AC或DC |
| 输入电阻 | 375Ω±1.5% |
| 输出电阻 | 350Ω±1% |
| 电缆 | 型号名称:TE-45 0.08mm2,6芯屏蔽氯丁橡胶铠装线3m,外径4.4mm, 传感器一侧:213FCW-8P, 测量器一侧:前端裸线 (屏蔽线没有与主机连接) |
| 安全过载 | 150% |
|---|---|
| 固有频率 | 约8kHz |
| 拧紧扭矩 | 约3N・m |
| 材料 | SUS金属质地 |
| 重量 | 约50g(不含电缆) |
| 保护等级 | IP67 (IEC 60529) |
选购件 安装底座 CX
球头节 TU
止动接头 TSC
止动金属件 TS外形尺寸图


在拉伸载荷状态下预测碰撞时,请注意载荷传感器的容量选择。
请选择比使用载荷高一规格的容量。
该产品不能用于质量测量显示的用途备注
作为TEDS信息, 额定输出值中记录了拉伸侧、压缩侧两个输出的平均值。