供应SMC三通电先导阀VG342-5D-10A-E


特点
低消耗功率
无须给油
真空或低压环境可用
可轻易切换成N.C., N.O.或外部先导
可在真空/低压下使用
可作为选择阀或分流阀使用 (外部先导型)
技术参数
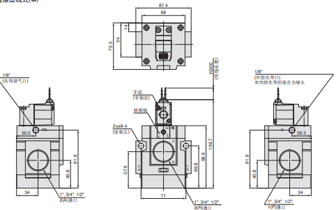
阀规格 - 内部先导式
额定电压 5 DC24V
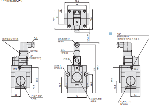
导线引出方式 D DIN型插座式
指示灯·过电压保护回路 - 无
接管口径 10 1
螺纹的种类 - Rc
机能 A N.C.(常断)
先导阀可选项 E 长期通电型
系列 VG
阀体大小 342
阀体形式 插头引线式
配管种类 直接配管型
密封方式 弹性密封
线圈规格 标准
手动操作 非锁定推压式
背压防止阀 无背压防止阀
消声器 无消声器
保护构造 防尘
订制规格 标准
先导压力范围 0.2~0.9
*动作频率 5
响应时间 30
环境温度及使用流体温度 -10~50℃
C值(P→A/B) 直接配管型 26
b值(P→A/B) 直接配管型 0.38
Cv值(P→A/B) 直接配管型 7
C值(A/B→E) 直接配管型 27
b值(A/B→E) 直接配管型 0.37
Cv值(A/B→E) 直接配管型 7.4
排气方式 各自排气型
给油 不给油式


VG342-5DZ-10B
VG342-5EZ-06A
VG342-5EZ-10A
VG342-5G-04
VG342-5G-04A
VG342-5G-04B
VG342-5G-06A
VG342-5G-06B
VG342-5G-10A
VG342-5G-10B
VG342-5GS-06A
VG342-5GS-10A
VG342R-3D-04
VG342R-3D-06
VG342R-3D-10
VG342R-4D-04
VG342R-4D-06
VG342R-4D-10
VG342R-5D-04
VG342R-5D-06
VG342R-5D-10
VG342-3D-04A(B)
VG342-3D-06A(B)
VG342-3D-10A(B)
VG342-4D-04A(B)
VG342-4D-06A(B)
VG342-4D-10A(B)
VG342-5D-04A(B)
VG342-5D-06A(B)
VG342-5D-10A(B)
供应SMC三通电先导阀VG342-5D-10A-E