ELCO旋转编码器EC100P25-L5PR-1024产品实物


特征介绍
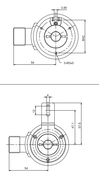
*式单圈编码器 EAC58P-EU 系列
坚固的金属外壳
空心轴 8 毫米 - 12 毫米
输出电路 RS422、Push-Pull 或 NPN
*分辨率 8192 ppr(13 位)
抗冲击和振动
不同的连接类型可选
防护等级 IP65
描述
EAC58P EU 系列的微型*式编码器设计紧凑。它们能够承受高轴向和径向载荷。编码器配有标准化法兰和夹钳或同步法兰。不同的孔便于组装。角度测量和定位的主要应用,例如在纺织工业中。
规格
空心轴直径(mm)
8 毫米
9,52 毫米
10 毫米
12 毫米
防护等级
IP65
*限度。转速
6000转1
*限度。轴的承载能力
60 N 轴向,120 N 径向
法兰
不同的类型和安装选项(参见数据表)

温度范围
工作温度:-20 °C ... +80 °C
储存温度:-25 °C ... +85 °C
输出电路
RS422
推挽
NPN 集电极开路
材料
空心轴不锈钢
外壳铝合金
抗冲击性
50 克/11 毫秒
抗振性
10 克 / 10 - 2000 赫兹
连接选项
1.5 m 电缆(可定制电缆长度,请将您的要求发送给我们)
M23 12 针
M23 17 针
ELCO旋转编码器EC100P25-L5PR-1024产品实物