CAMOZZI康茂盛438-35气控阀的作用分析


构造分析:
气动调节阀一旦处在打开情况,它的高压闸阀和阀
用把全部闸阀从管道上卸下来,这针对闸阀和管道
电焊焊接成一体的场所是很共用的。介质根据该类
瓣密封面中间就不会再有触碰,因此它的密封面机
闸阀和阀瓣较为随便维修或拆换密封性元器件时不
闸阀时的主题活动方位发生了转变,因而气动调节
械设备损坏较小,由于绝大多数气动调节阀的高压
阀的主题活动摩擦阻力较高过其他闸阀。
358-900,
358-905,
358-910,
358-915,
358-945,

358-955,
358-965,
358-975,
要求:
气动阀工作压力,要求≥管道的工作压力,在不影
应能承受二倍阀门工压的要求。阀杆衬套材质,其
硬度与强度均应不大于阀杆,且在水浸泡状况下与
响价格的前提下,阀门可承受的工压应大于管道实
1.1倍阀门工压值而不渗漏;阀门开启状况下,阀体
阀杆、阀体不形成电化学腐蚀。螺母材质,采用铸
际的工压;气动阀关闭状况下的任何一侧应能承受
铝黄铜或铸铝青铜,且硬度与强度均大于阀杆。
型号:
452C-016-50
452C-011-22
P000-301-P53
P000-303-P53
358-011-02,
358-015-02,
358-033,
358-035,
358-895,
358-896,
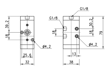
尺寸图:

358-897,
358-976,
358-977,
358-990,
358-D15-9A5,
358-E11-02,
358-E15-02
P000-305-P53
P000-306-P53
P000-405-P53
P000-403-P53
CAMOZZI康茂盛438-35气控阀的作用分析