上海双旭电子有限公司
试用会员
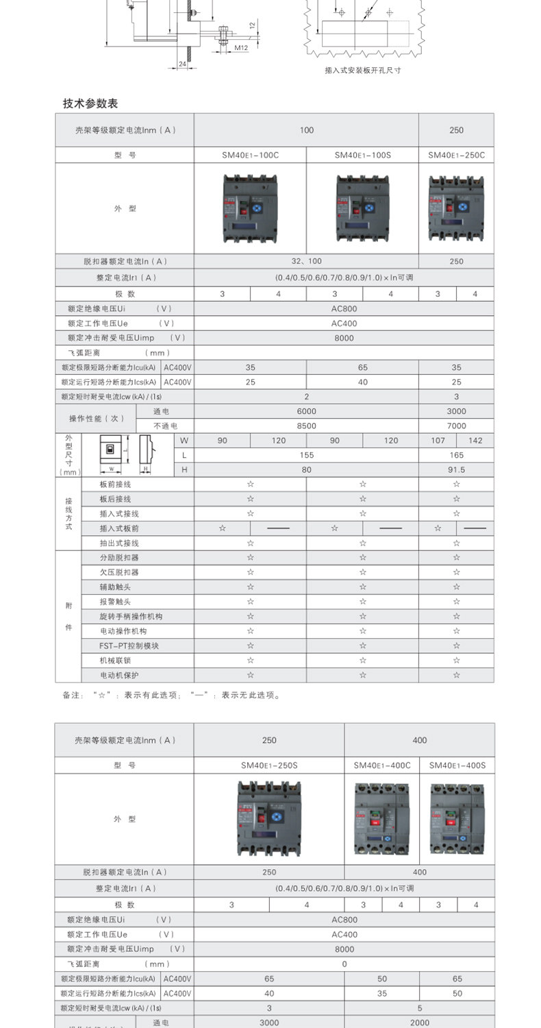
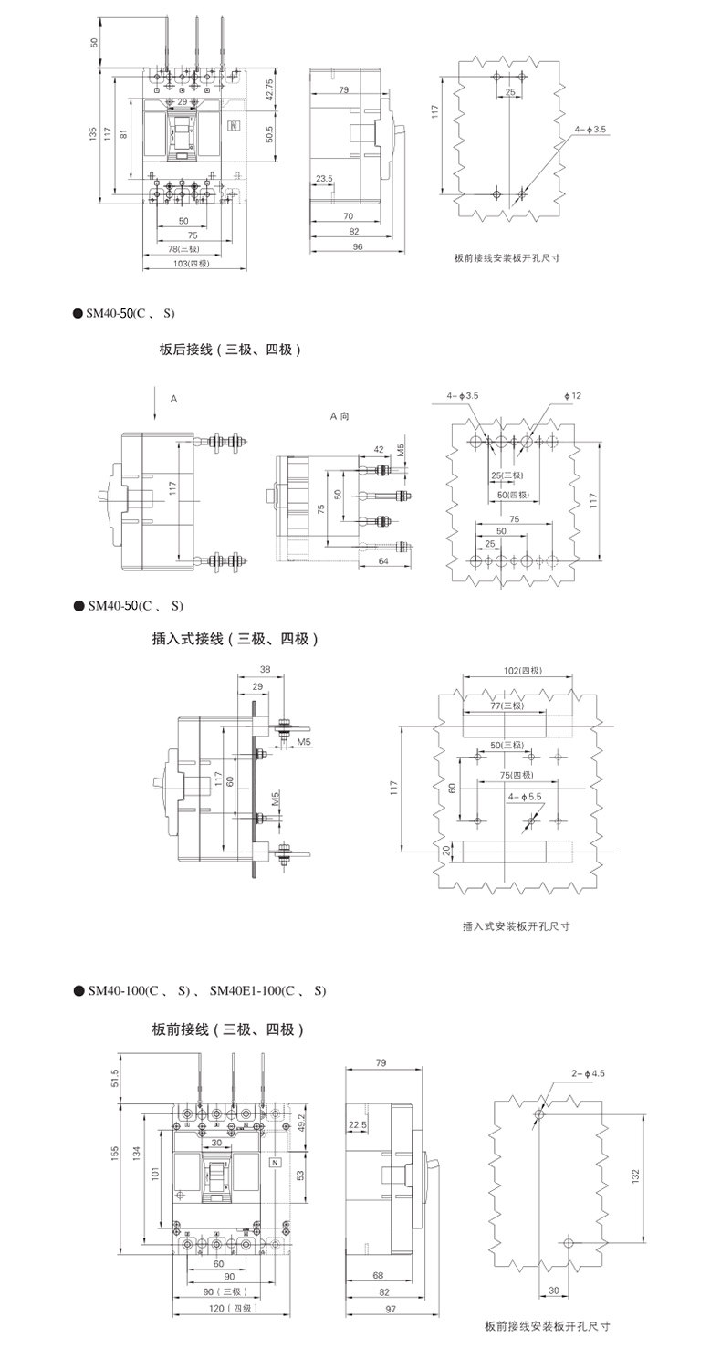
船用塑壳断路器SM40
发布时间:2021-10-26
船用塑壳断路器SM40
上一篇:
欢迎访问鞍山市PE膜集团股份
下一篇:
遂宁西门子1500CPU模块授权...