LR-TB2000的测量距离是2米 基恩士

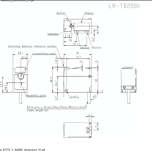
产品的尺寸图纸

基恩士的基本传感器相关数据表
型号
LR-TB2000
类型
电缆型
检测距离
60 至 2000 mm*1
光点直径
约 4 mm
光源
种类
红色激光 (660nm)
激光分类
2 类激光产品
(IEC60825-1、FDA(CDRH) Part1040.10*2)
防止相互干扰功能
4 台(使用防止干扰功能时)
计时器
OFF/OFF- 延时/ON- 延时/单脉冲
响应时间
1 ms/10 ms/25 ms/100 ms/1000 ms
切换方式
I/O
控制输出
NPN 集电极开路/PNP 集电极开路 切换方式
30 VDC 以下、50 mA 以下、残余电压 2 V 以下
N.O./N.C. 切换方式
*3*4
外部输入
投光停止/ 调谐/ 基准面更新(使用DATUM 模式时) 切换方式
短路电流 NPN:1 mA 以下/PNP:1 mA 以下
外加电压请参阅使用说明书的配线图
输入时间请参阅使用说明书的时序图
*3*4
模拟输出
―
保护电路
电源逆接保护、电源电涌保护/输出短路保护、输出逆接保护、输出电涌保护
电源电压
20 至 30 VDC 涟波(P-P)10%、Class 2 或 LPS
消耗电流
45 mA 以下(负载除外)*5
环境抗耐性
外壳防护级
IP65/ IP67 (IEC60529)
环境光照
白炽灯/日光:10,0000 lux 以下
环境温度
-20 至 +55 °C (无冻结)
相对湿度
35 至 85 % RH (无凝结)
抗震性
10 至 55 Hz、双振幅 1.5 mm、X,Y,Z 方向各 2 个小时
耐冲击性
1,000 m/s2、X,Y,Z 方向各 6 次
材质
罩壳:锌铸件(镀镍- 铬)、
指示灯盖和按钮:PES、
镜头盖和显示器:附带防止划伤涂层的PMMA、
电缆套管:PBT、
电缆:PVC
附件
使用说明书、
激光警告/ 说明标签
重量
约 125 g (包含电缆)
LR-TB2000的测量距离是2米 基恩士