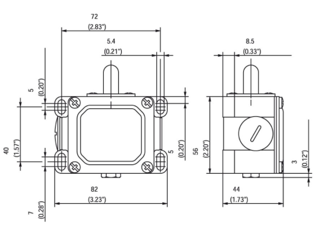
bernstein限位开关IN62-SA2Z SK尺寸图


防护等级IP 65,符合 VDE 0470 T1
外壳:铝压铸
锁盖:铝板
操作头可4 x 90°重新定位
电缆接口2 x M20 x 1.5
接头型号符合DIN EN50013
触点耐用
导向套耐磨
bernstein限位开关的应用
关可广泛应用于建筑、港口、矿山等行业的起重、传输机械的空间三坐标的控制和限位,限位开关由高精度的大传动比减速器和与其输出轴同步的机械记忆控制机构、传感器组成,因WTAU系列限位开关具有体积小、功能多、精度高、限位可调、通用性强及维护安装和使用调整方便等特点在工程机械中应用极其广泛。
限位开关分工作限位开关和极限限位开关,工作限位开关是用来给出机构动作到位信号的。极限限位开关是防止机构动作出设计范围而发生事故的。工作限位开关安装在机构需要改变工况的位置,开关动作后,给出信号,进行别的相关动作。极限限位开关安装在机构动作的*远端,用来保护机构动作过大出现机构损坏。
技术参数
外壳 压铸铝
盖板铝
执行器转塔头(压铸铝),滚轮(st)
环境空气温度 -30 °C ... +80 °C
触点类型 1 NC, 1 NO (Za)
机械寿命 10 x 106
开关周期
开关频率≤100次/分钟。
组装 4 x M5
连接 4 个螺钉连接 (M4)
导体横截面 实心:0,5 ... 1,5 mm² 或
带套圈的利兹线:0,5 ... 1,5 mm²
电缆入口 2 x M20 x 1,5
重量 ≈ 0.4 公斤
安装位置操作员可定义
防护类型 IP65 符合。 符合 IEC/EN 60529

型号
6083000200 IN62-SU1Z SK
6083000201 IN62-U1Z SK
6083000203 IN62-A2Z SK
6083000204 IN62-SE2 SK
6083000205 IN62-E2 SK
6083000206 IN62-UV1Z SK
HW-E-EINR.D KU22
3914350924 AH-EINR.D
6041103002 D-U1 W
6041113006 D-U1 PW
6041118229 D-U1Z RW
6041121010 D-U1 HW
6041135019 D-U1 AH
6041153156 D-SU1 W
6041168162 D-SU1 RW
6041171164 D-SU1 HW
6041185173 D-SU1 AH
6041303134 D-UV1Z W
6041318140 D-UV1Z RW
6041321142 D-UV1Z HW
6041803046 D-E2 W
6041803090 D-A2 W
6041813835 D-A2Z PW
6041818052 D-E2 RW
6041818741 D-A2Z RW
6041835107 D-A2 AH
bernstein限位开关IN62-SA2Z SK尺寸图