德国EUCHNER安士能的磁编码安全开关

产品描述
CMS-E-ER (订货号 099182)
CMS-E-ER评估单元,2个安全触点,1个辅助触点,可连接1路反馈回路
*多可连接30个读头
2个安全触点
1个辅助触点
可连接1个反馈回路
自动/监控/非监控启动
功能描述
CCMS-E-ER评估单元*多可连接30个读头。
安全防护等级4/PL e依据EN ISO 13849-1
安全防护等级3/PL d,连接不止1个读头
安全防护等级4/PL e,连接不止1个读头
注意:
沿z方向低速靠近,簧片触点的切换时间偏移量不得过0.6 ms。
技术参数表
机械值和环境
壳体材料
壳体 PA6.6聚酰胺
重量
网状 0,22 kg
环境温度 0 ... 55 °C
防护等级 IP20端子/IP40壳体
机械使用寿命 10 x 106
安装方法 35mm安装导轨,符合DIN EN 60715 TH35标准
接线方式 接线端子
安全触点13/14和23/24
安全触点数 2
辅助触点31/32
辅助触点数 1
电气连接等级
工作电压
AC/DC 24 V -10% ... +10% V
保险丝
内部保护(工作电压UB) 0,75 A PTC自动复位保险丝
额定绝缘电压Ui
AC 250 V
污染程度(外部,符合EN 60947-1标准) 2
配接线截面 0,14 ... 2,5 mm²
LED指示灯 1个电源LED指示灯(UB),2个读头状态指示灯(K1/K2)
安全触点13/14和23/24
输出类型 继电器触点,浮动
电流大小
DC 24V时 10 ... 110 mA
开关电压 *240 V
开关电流
DC 24V时 10 ... 3000 mA
保险丝
外部触点熔丝(安全回路),符合EN IEC 60269-1要求 4A gG
使用类别,符合EN 60947-4-1标准
使用类别,符合EN 60947-5-1标准
AC-15 0.9A,240V;0.9A,24V
DC-13 1.5A,24V
开关负载
符合UL 2类标准 输入:24V AC/DC;输出:30V AC,24V DC
断流容量(VA) *720 VA
风险时间,符合EN 60947-5-3标准 20 ms
辅助触点31/32
输出类型 继电器触点,浮动
开关电流
DC 24V时 *1500 mA
其它
符合 EN ISO 13849-1: 2015;EN ISO 13849-2:2012;EN 50178: 1997;EN 60204-1: 2006/A1: 2009;EN ISO 13850: 2015;EN 14119:2013;EN 6100-6-2: 2005;EN 6100/6/3: 2007/A1: 2011;EN 60947-5-3: 2013
可靠性值符合EN ISO 13849-1标准
监控安全门位置
类别
配有一个读头 4
配有多个读头 3
性能等级
配有一个读头 PL e
配有多个读头 PL d
PFHD
配有一个读头 2.5 x 10-8
配有多个读头 1.0 x 10-7
识别距离s=3 mm时 2,5 mm
可靠工作距离Sar *14 mm
可靠工作距离Sao
中心距偏移量m=0 *小6 mm
结合 读头 CMS-R-BXI-03V, CMS-R-BXI-05V, CMS-R-BXI-SC, CMS-R-BXI-07P 和 触发块 CMS-M-BD
工作距离
中心距偏移量
识别距离s=3 mm时 2,5 mm
可靠工作距离Sar *12 mm
可靠工作距离Sao
中心距偏移量m=0 *小3 mm
开关周期数
≤ 1A(24V DC时) 70000 1/Jahr
≤ 0.1A(24V DC时) 166000 1/Jahr
任务时间 20 y
结合 读头 CMS-R-EXM-03V, CMS-R-EXM-05V, CMS-R-EXM-SC 和 触发块 CMS-M-EF
工作距离
中心距偏移量
识别距离s=3 mm时 2,5 mm
可靠工作距离Sar *17 mm
可靠工作距离Sao
中心距偏移量m=0 *小6 mm
结合 读头 CMS-R-CXC-03V, CMS-R-CXC-05V, CMS-R-CXC-05P, CMS-R-CXC-SC 和 触发块 CMS-M-CA
工作距离
中心距偏移量
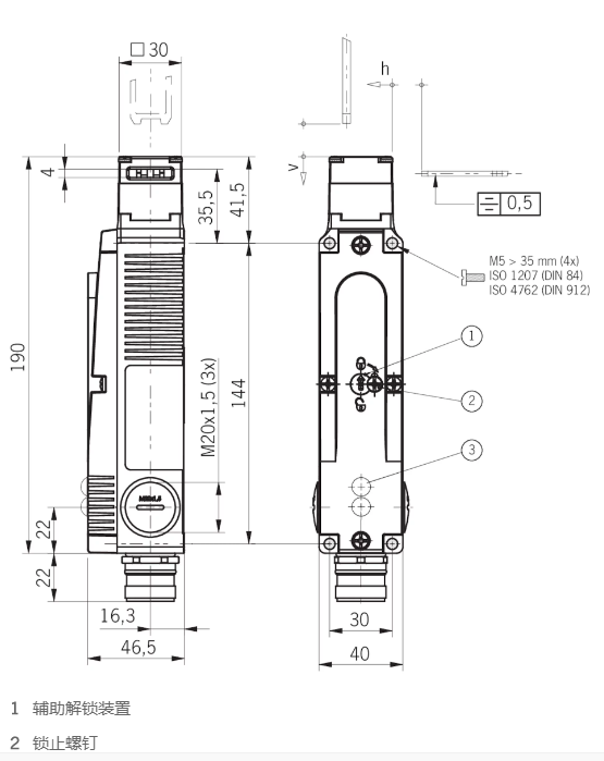
尺寸图

安士能HBA-084962 CMS-R-AXH-05V
安士能HBA-084962 CMS-R-AZA-10VL
应安士能HBA-084962 CMS-R-AZC-SC
安士能HBA-084962 CMS-R-BXI-03V
安士能HBA-084962 CMS-R-AXH-SC
安士能HBA-084962 CMS-R-AXR-05PL
安士能HBA-084962 CMS-R-AXR-05VL
安士能HBA-084962 CMS-R-AZA-05PL
安士能HBA-084962 CMS-R-AZA-05VL
安士能HBA-084962 CMS-R-AZA-10PL
德国EUCHNER安士能的磁编码安全开关