海德汉编码器ROQ425-SSI ID631703-01

425 SSI 接口 SSI41H 订购标识* 每圈位置数 SSI41T 8192(13 bit) 圈数 4096(12 bit) 编码类型 纯二进制 计算时间tcal 时钟频率 9 µs

型号
工作电压: 10~30V (SSI)
输 出 码: 格雷码(SSI)
每圈分辨率: 8192
防护等级: 外壳、电气 IP67
轴端 IP64或IP66
大机械转速: 10000转/分
大轴上负载: 径向60N,轴向40N (n≤6000转/分)
启动转矩: <1Ncm(20℃)
振荡: 10g(55-2000Hz)
冲击: 100g(6ms)
连续圈数: 4096
附加增量信号: 1Vpp,512线/圈,A、B双相
大电缆长度: 100米(SSI)
电气允许转速: 5000转/分
高工作温度: 100℃
低工作温度: -40℃(固定电缆)
-10℃(活动电缆)
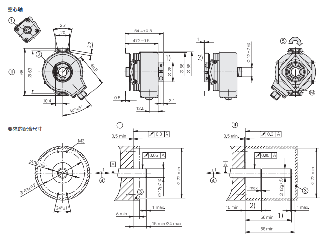
外径: Ф58mm
转轴: Ф10mm×19.5mm
海德汉的编码器使用介绍
海德汉光学扫描光栅尺或编码器的测量基
准都是周期刻线-光栅。在玻璃或钢基体
上用不同的光刻工艺刻制高精度的光栅。
光栅的材质包括:
• 玻璃上的硬铬线
• 镀金钢带上蚀刻的栅线
• 在玻璃或钢基体上蚀刻的三维栅线结构
海德汉开发的光刻生产工艺可生产出典型
栅距仅50 µm至4 µm的光栅。
用海德汉光刻工艺生产的光栅边缘清晰、
一致性优异,可达到极小栅距。获得高质
量输出信号的关键是将高质量光栅与光电
扫描法一起使用。
母版光栅采用海德汉公司定制的精密刻线
机制造。
感应扫描编码器使用金属栅线或铜/镍合金
栅线结构。栅线刻印在基体材料上。
编码器的尺寸图

编码器型号
供应ERN1381.001 海德汉(HEIDENHAIN)编码器,光栅现货,
供应海德汉(HEIDENHAIN)编码器ERN, ID: 385489-0
供应海德汉(HEIDENHAIN)编码器ERN, ID: 385489-0
海德汉 HEIDENHAIN 编码器等 236490-06 246842-02 254150
海德汉 HEIDENHAIN 编码器等 236490-06 246842-02 254150
海德汉编码器ROQ425-SSI ID631703-01