海德汉HEIDENHAIN的旋转式编码器数据

产品简介
接口 «TTL «HTL »1 VPP1)
线数* 250 500 –
1000 1024 1250 2000 2048 2500 3600 4096 5000
参考点 一个
截止频率–3 dB
输出信号频率
边缘间距a
300 kHz
0.39 µs
180 kHz
系统精度 栅距的1/20
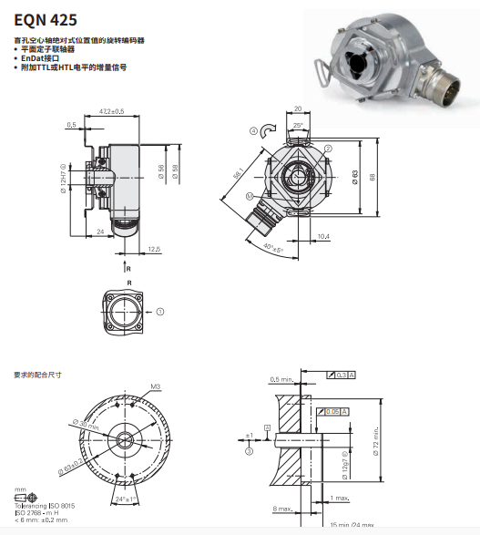
电气连接* • M23插头,径向和轴向(盲孔空心轴)
• 电缆(1 m),自由电缆端
供电电压 DC 5 V ±0.5 V DC 10 V至30 V DC 10 V至30 V DC 5 V ±0.5 V
空载时的电流消耗 120 mA 100 mA 150 mA 120 mA
轴* 盲孔空心轴或空心轴; 8 mm或 12 mm
机械允许轴速 n
2) 6000 rpm/ 12000 rpm3)
启动扭矩(典型值)
20°C时
盲孔空心轴:0.01 Nm
空心轴:0.025 Nm(IP66:0.075 Nm)
转子转动惯量 4.3 · 10–6 kgm2
被测轴允许的轴向窜动 ±1 mm
振动55 Hz至2000 Hz
冲击6 ms
300 m/s2
;插头版:150 m/s2 (EN 60068-2-6);如果需要更高值,可按要求提供
2000 m/s2
(EN 60068-2-27)
高工作温度2) 100 °C 70 °C 100 °C4)
低工作温度 插头或静止电缆:–40 °C;活动电缆:–10 °C
防护等级EN 60529 外壳处:IP67(空心轴为IP66)
输入轴处: IP64( 12 mm时,如果需要IP66,可按要求提供)
重量 0.3 kg
适用ID 385420-xx 385460-xx 385430-xx 385480-xx5)
黑体:*这些型号,其供货期较短。
* 请订购时选择 1) 公差限制:信号幅值:0.8 VPP至1.2 VPP 2) 工作温度与轴速和电源电压间的关系,参见一般机械信息 3) 用两个轴夹(仅限空心轴) 4) 4096或5000线的ERN 480为80 °C
5) 带机械防松保护功能;有关不同的技术参数和特殊安装信息,参见防松保护功能的客户信息文档

海德汉HEIDENHAIN的旋转式编码器数据