2P导轨式单相预付费智能电表-江苏森维电表厂家

发布时间:2022-03-09

公司简介

江苏森维集研发、生产、销售于一体的综合性企业,具有较强的研发设计能力,荣获21项******,7个软件著作权,拥有一批经验丰富的团队,其主要研发生产销售智能电表、导轨式智能电能表、导轨式电能表、预付费电能表、负载识别器、能效监测终端、多用户电能表、智能插座、计量插座等产品,欢迎大家前来咨询。

产品简介

家用2P导轨式智能电表本公司按照相关技术规范研制生产的新电能计量产品。本产品采用大规模集成电路和SMT生产工艺, 具有电能计量、数据处理、实时监测、信息交互等功能。

2P导轨式单相预付费智能电表-家用电表厂家直销


        产品特点

1. 导轨式设计,体积小,安装方便

2. 液晶显示,读取方便快捷

3. RS485通信接口,稳定可靠

4. 内置继电器,可远程拉合闸

5. 电能表计量误差小,数据准确

6. 负荷自动拉闸,可自动恢复

产品功能

1、LCD显示屏:显示采用具有宽视角、高对比度的LCD显示屏

2、产品功能:具有电压、电流、功率、功率因数等测量功能

3、高精度计量:正反向有功电能高精度计量

4、安装简单:采用35mm导轨式安装,安装便捷,体积轻巧

5、元器件:主要元器件采用高质量的、专为电子式电能表设计的元器件

6、通讯协议:支持 RS-485通讯协议/MODBUS 协议,支持远程拉合闸

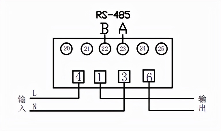
       安装接线

       将2P导轨式单相远程费控电能表 (RS485)固定到导轨上,接口按接线图要求接好,建议用铜线或铜接线头接入。端钮盒内螺钉应拧紧,避免因接触不良或引线太细发热而引起烧毁。

2P导轨式单相预付费智能电表-家用电表厂家直销


 

上一篇:乐山西门子3152DP/PNCP...
下一篇:朔州投币刷卡式电瓶车充电桩 -扫...