管理机厂家直销-江苏森维电表厂家

发布时间:2022-03-09

通讯管理机简介

采用阻燃非金属外壳,体积轻巧,安装方便;采集各电能表的实时电能示值、日零点冻结电能示值、抄表日零点冻结电能示值;可远程或本地设置和查询抄表方案。

管理机厂家直销-价格优惠


管理机厂家直销-价格优惠


通讯管理机特点

1、采用阻燃非金属外壳,体积轻巧,安装方便

2、 采集各电能表的实时电能示值、日零点冻结电能示值、抄表日零点冻结电能示值

3、可远程或本地设置和查询抄表方案

      通讯管理机功能

       1、数据采集

集中器采集各电能表的实时电能示值、日零点冻结电能示值、抄表日零点冻结电能示值。电能数据保存时应带有时标。

       2、数据存储

集中器能够按要求对采集数据进行分类存储,如日冻结数据、抄表日冻结数据、曲线数据、历史月数据等。

       3、记录

管理机能够根据设置的事属性,将事按重要事和一般事分类记录。事包括终端参数变更、抄表失败、终端停/上电,电能表时钟差等,且能够保存近500条事记录。

       4、射频卡功能

通过管理机可以对应任意用户支持远程加密充或退费。

技术参数

电压输入额定电压3×220V/380V,允许偏差-30%~+30%。
参比频率50Hz,允许偏差-6%~+2%。
计量精度电压0.5%
电流0.5%
工作环境工作温度-25℃~+70℃
相对湿度10%~*
功率消耗
非通信状态下<9W,12VA
时钟时钟精度≤±1s/d。
时钟电池1.2Ah锂离子环保电池
绝缘性能工频耐压2.5kV
冲击耐压6kV
静电放电8kV
数据传输通信方式GPRS/CDMA,低压电力载波和有线通信方式
硬件接口RS485接口2路;红外接口1路




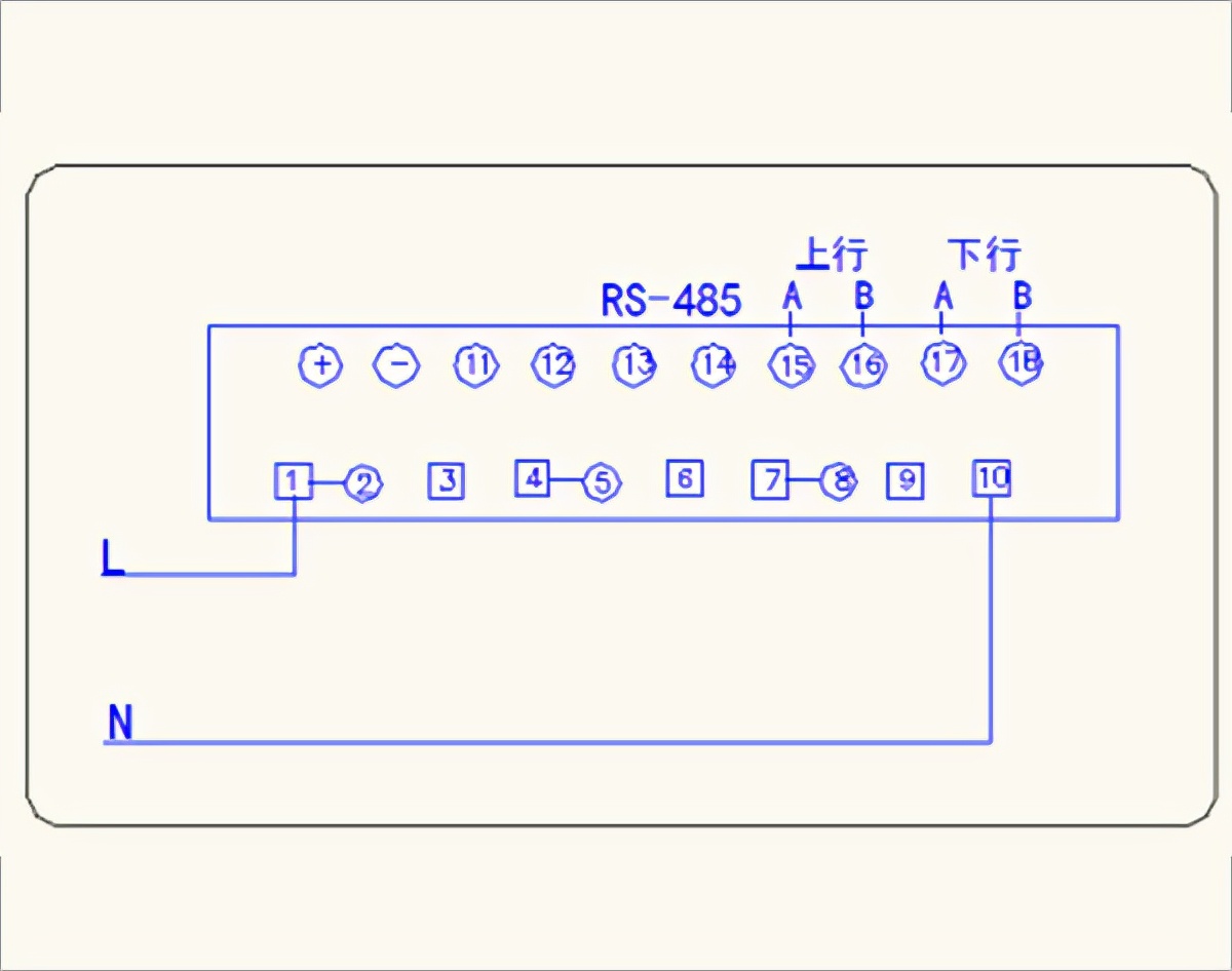
      通讯管理机功能安装接线

将管理机固定定到仪表箱,接口按接线图要求接好,用铜线或铜接线头接入。

管理机厂家直销-价格优惠



 

上一篇:黑河高校实验室污水处理设备
下一篇:沧州鉴定房屋质量-鉴定房屋质量检...