宋兵兵
安科瑞电气股份有限公司,上海 嘉定 202203;
摘要:介绍沃尔玛东侧绿地公园人防工程-变电所电能管理系统,采用智能电力仪表采集配电现场的各种电参量和开关信号。系统采用现场就地组网的方式,组网后通过现场总线通讯并远传至后台,通过Acrel-3000型电能管理系统实现配电回路用电的实时监控和电能管理。
关键词:智能电力仪表;Acrel-3000型;电能管理系统
概述
本项目为沃尔玛东侧绿地公园人防工程-变电所电能管理系统。根据配电系统管理的要求,需要对沃尔玛东侧绿地公园人防工程-变电所项目用配套厂家建设项目的变电所的进出线回路进行电力监控和电能管理,以保证用电的安全、可靠和高效。
Acrel-3000型智能配电系统充分利用了现代电子技术、计算机技术、网络技术和现场总线技术的*发展,对变配电系统进行分散数据采集和集中监控管理。对配电系统的二次设备进行组网,通过计算机和通讯网络,将现场设备连接为一个有机的整体,实现电网运行的远程监控和集中管理。
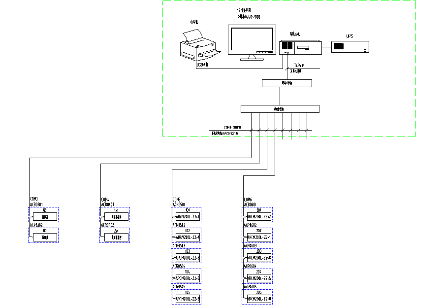
1 系统结构描述
本监控系统主要实现沃尔玛东侧绿地公园人防工程-变电所项目的配电系统进行用电监控与电能管理;监控范围为变电所配电柜进行远程实时监控和电能管理。该系统计有2台综保,2台温控,46台ARCM200L-Z2仪表。仪表直接拉至通讯管理机,至后台电脑,实现仪表与监控主机的数据连通。
本监控系统采用分层分布式结构,即站控层,通讯层与间隔层;
如图(1)所示:

图(1)网络拓扑图
间隔设备层主要为:多功能网络电力仪表。这些装置分别对应相应的一次设备安装在配电柜内,这些装置均采用RS485通讯接口,通过现场MODBUS总线组网通讯,实现数据现场采集。
网络通讯层主要为:通讯管理机,其主要功能为把分散在现场采集装置集中采集,同时远传至站控层,完成现场层和站控层之间的数据交互。
站控管理层:设有高性能工业计算机、显示器、UPS电源、打印机等设备。监控系统安装在计算机上,集中采集显示现场设备运行状况,以人机交互的形式显示给用户。
以上网络仪表均采用RS485接口和MODBUS-
RTU通讯协议,RS485采用屏蔽线传输,一般都采用二根连线,接线简单方便;通讯接口是半双工通信即通信的双方都可以接收、发送数据但是在同一时刻只能发送或接收数据,数据*传输速率为10Mbps。
RS485接口是采用平衡驱动器和差分接收器的组合,抗噪声干扰能力增强,总线上允许连接多达30个设备,*传输距离为1km。
2 电能管理系统主要功能
2.1 数据采集与处理
数据采集是配电监控的基础,数据采集主要由底层多功能网络仪表采集完成,实现远程数据的本地实时显示。需要完成采集的信号包括:三相电压U、三相电流I、频率Hz、功率P、功率因数COSφ、电度Epi、远程设备运行状态等数据。
数据处理主要是把按要求采集到的电参量实时准确的显示给用户,达到配电监控的自动化和智能化要求,同时把采集到的数据存入数据库供用户查询。
2.2 人机交互
系统提供简单、易用、良好的用户使用界面。采用全中文界面,显示低压配电系统电气一次主接线图,显示配电系统设备状态及相应实时运行参数,画面定时轮巡切换;画面实时动态刷新;模拟量显示;开关量显示;连续记录显示等。
2.3 历史事件
历史事件查看界面主要为用户查看曾经发生过的故障记录、信号记录、操作记录、越限记录提供方便友好的人机交互,通过历史事件查看平台,您可以根据自己的要求和查询条件方便定位您所要查看的历史事件,为您把握整个系统的运行情况提供了良好的软件支持。
2.4 数据库建立与查询
主要完成遥测量和遥信量定时采集,并且建立数据库,定期生成报表,以供用户查询打印。
2.5 用户权限管理
针对不同级别的用户,设置不同的权限组,防止因人为误操作给生产,生活带来的损失,实现配电系统的安全,可靠运行。可以通过用户管理进行用户登录、用户注销、修改密码、添加删除等操作,方便用户对账号和权限的修改。
2.6 远程报表查询
报表管理程序的主要功能是根据用户的需要设计报表样式,把系统中处理的数据经过筛选、组合和统计生成用户需要的报表数据。本程序还可以根据用户的需要对报表文件采用定时保存、打印。同时本程序还向用户提供了对生成的报表文件管理功能。
报表具有自由设置查询时间实现日、月、年的电能统计,数据导出和报表打印等功能。
3 案例分析
沃尔玛东侧绿地公园人防工程-变电所电能管理系统包含变电所电表,对变电所配电回路进行远程实时监控和电能管理。
变电所采用的多功能仪表,其是针对电力系统、工矿企业、公共设施、智能大厦的电能管理需求而设计的网络电力仪表,它能测量常规电力参数,如:三相电压、电流、有功功率、无功功率、功率因数、频率、有功电度、无功电度等多种电参量。该系列网络电力仪表主要应用于变电站自动化、配电网自动化、小区电力监控、工业自动化、能源管理系统及智能建筑等领域。
低压配电一次图见图(2),遥测功能主要监测运行设备的电参量,其中包括:三相电压,电流,功率,功率因数和电量等电参量;遥信功能实现显示现场设备的运行状态,主要包括:开关的分、合闸运行状态和通讯故障报警。

图(2)低压配电一次图
遥信和遥测报警功能,主要完成对各出线回路的开关运行状态监控,对开关变位弹出报警界面,指示具体的报警位置并声音报警,提醒值班人员及时处理。具备历史查询功能。
曲线分析功能见图(3):可以曲线形式展示实时数据库和历史数据库中的模拟量,以便分析其当前运行状态及有关历史趋势

图(3) 负荷曲线
电参量报表功能,主要对各回路的电参数进行查询。支持任意时刻电参数查询,具备数据导出和报表打印等功能。该报表查询各回路的电参数,主要包括:三相线电压、电流、功率因数、有功功率和有功电度。该报表各回路名称和数据库关联,方便用户修改回路名称。见图(4)。

图(4) 电参量报表
电能报表功能,可选择时间段进行查询,支持任意时间段电度累计查询,具备数据导出和报表打印等功能。为值班人员提供了可靠的电能报表。该报表各回路名称和数据库关联,方便用户修改回路名称。用户可以直接打印报表,可以以EXCEL格式另存到其他位置。 见图(5)。

图(5) 电能报表
系统通讯结构示意图,主要显示系统的组网结构,系统采用分层分布式结构,同时监测间隔层设备的通信状态。红色表示通讯正常,绿色表示通讯故障。见图(6)。

图(6)系统通讯结构示意图
4 结束语
随着社会的发展及电力的广泛应用,电能管理系统已成为各地重点工程项目、标志性建筑/大型公共设施等大面积多变电所用户的必然选择,本文介绍的Acrel-3000电能管理系统在沃尔玛东侧绿地公园人防工程-变电所项目的应用,可以实现对变电所配电回路用电的实时监控与电能管理,不仅能显示回路用电状况,还具有网络通讯功能,可以与通讯管理机、计算机等组成电能管理系统。系统实现对采集数据的分析、处理,实时显示变电所内各配电回路的运行状态,对分合闸弹出报警对话框,并生成各种电能报表、分析曲线、图形等,便于电能的远程抄表以及分析、研究。该系统运行安全、可靠、稳定,为用户解决用电问题提供了真实可靠的依据,取得了较好的社会效益。[2]
参考文献:
[1].任致程 周中. 电力电测数字仪表原理与应用指南[M]. 北京. 电力出版社. 2007. 4
[2].周中等编著. 智能电网用户端电力监控与电能管理系统产品选型及解决方案[M]. 北京. 机械工业出版社. 2011.10