应用领域SMC电磁阀 底板配管型VQ5151-5HW1-04
功能详情:
电气选择:电压规格应尽量优先选用AC220V、DC24较为方便。
根据持续工作时间长短来选择:常闭、常开、或可持续通电
当电磁阀需要长时间开启,并且持续的时间多于关闭的时间应选 用常开型;
- 当供气压力为:
低于阀门*低工作压力 0.1 至 0.2 MPa 或低于此水平时,
-用于反向压力(R端口压力)或气缸压力(A,B端口压力),
用于真空规格,可用于外部先导规格。通过将外部先导规格 [R] 添加到零件号来订购阀门。外部先导可作为歧管和选项的标准。
-单位、双位和三位(不包括双检查)类型可以与通用端口兼容。
要是开启的时间短或开和关的时间不多时,则选常闭型;
但是有些用于安全保护的工况,如炉、窑火焰监测,则不能选常开的,应选可长期通电型。
根据环境要求选择辅助功能:防爆、止回、手动、防水雾、水淋、潜水。
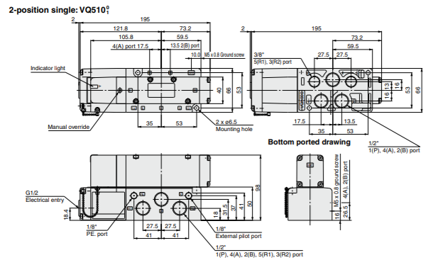
机能 1 2位单电控
主体形式 5 插头引线式底板
线圈电压 5 DC24V
导线引出方式 H 直接出线式:导线长度1.5m
LED及过电压保护回路 - 有
手动操作方法 - 非锁定推压式(要工具型)
保护构造 W 防尘·防喷流型(对应IP65)
配管规格 - 侧配管
密封方式 1 弹性密封
规格 - 标准型(0.95W)

应用领域SMC电磁阀 底板配管型VQ5151-5HW1-04