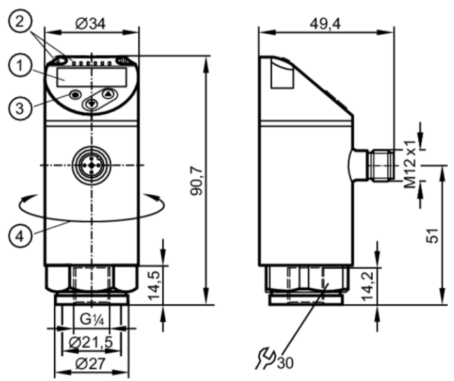
PN2160带显示屏的IFM压力传感器结构
功能简介:
通常高温熔体压力传感器的损坏都是由于其安装位置不恰当而引起的,如果将传感器强行安装在过小的孔或形状不规则的孔中,就有可能造成传感器的震动膜受到冲击而损坏,选择合适的工具加工安装孔,有利于控制安装孔的尺寸,另外,合适的安装扭矩有利于形成良好的密封,但是如果安装扭矩过高就容易引起高温熔体压力传感器的滑脱,为防止这种现象发生,通常在传感器安装之前在其螺纹部分上涂抹防脱化合物。
通过适当的仪表, 在普通大气压和标准温度条件下,核实压力传感器的频率反应值。
核实压力传感器的编码与相应的频率反应信号的正确性。
尺寸图:

两个开关输出,其中一个可编程为 IO-Link,另一个可作为模拟输出
红/绿显示,用于明确标识可接受的范围
管路连接可进行旋转,方便进行*的排列
高负载保护,长期稳定性
坚固的设计,适用于严苛的工业环境
开关量输出DC的持续电流负载 [mA] 250
开关频率DC [Hz] < 500
模拟输出数量 1
模拟电流输出 [mA] 4...20; (可调整量程 1:5)
防护等级 III
反相保护 有
开机延迟时间 [s] 0.3
Watchdog集成看门狗电路 有
工作电压 [V] 18...30 DC; (按照SELV/PELV)
电流损耗 [mA] < 35
绝缘电阻*小值 [MΩ] 100; (500 V DC)
输出信号 开关信号; 模拟信号; IO-Link; (可配置)
电气设计 PNP/NPN
数字输出数量 2
输出功能 常开/常闭; (可设定参数)
开关量输出DC电压降*值 [V] 2
PN2160带显示屏的IFM压力传感器结构