56C-82-RA美国MAC大三通电磁阀工作状态
基本详情:
• 内部先导或外部先导,用于真空至电磁阀上的 25 PSI 主阀压力或远程空气模型。
• 提供手动和机械操作员。
系列特点-远程空气先导操作阀这些远程空中版本具有:
• 用于空气/弹簧返回的大型检查蓄能器。
MAC 56 系列是由一个小型直动式平衡提升阀先导的三通平衡滑阀。这是一个用途极其广泛的阀门: 1. 可以转换为在真空中使用。2. 只需转动先导阀体和主阀体之间的功能板,即可将其从常闭功能更改为常开功能。3. 通过拆下电磁先导组件,它也可以转换为远程气动阀——仅举几例。
七种阀门功能合二为一。
• 平衡阀芯不受排气背压或入口限制的影响。
可插入 2 路操作。
• 一个大型检查式蓄能器,为先导和空气/弹簧返回提供一致的换档。
• 用于润滑或非润滑服务。
• 各种类型的手动操作器和螺线管外壳。
• 可选低功率直流电磁阀,功率低至 1 瓦。
三通常开或常闭(电磁阀或远程空气)。
• 2 通(通过插入端口)常开或常闭(电磁阀或远程空气)。
• 平衡阀芯不受排气背压或入口限制的影响。
可插入 2 路操作。
• 用于润滑或非润滑服务。
• 可选的远程空气先导,当应用需要时提供先导操作型号先导信号低于主阀压力。
应用程序转换程序
平衡阀芯设计和的 N.C. 和 N.O.先导阀功能板打开螺线管型号便于使用同一个阀门实现 7 种不同的功能。
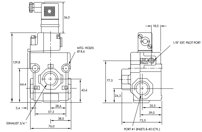
外部先导 - 当主阀压力较低时需要外部先导供应过 25 磅/平方英寸。
如果从内部先导型号转换,请卸下 1/8" 管塞并从外部先导端口检查杆并在检查杆中安装一个 1/16" 管塞将大于 25 PSI 的外部供气孔和管道连接到外部先导端口。
为了真空服务,使真空连接到端口 #3 并使端口 #1 打开用于真空/压力选择器应用的大气或压力端口#1。

56C-82-RA美国MAC大三通电磁阀工作状态