DI-SORIC的超声波传感器USGT 40/13 IU-B4

超声波槽型传感器 USGT
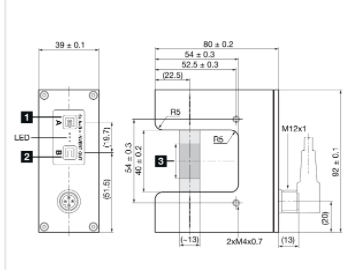
货号: 213498
US 60 K 2500 AI-TSSL
US 60 K 2500 PSA-I-TSSL
US 60 K 2500 PSA-TSSL
US 60 K 2500 PSI-I-TSSL
US 60 K 2500 PSI-TSSL
US 60 K 2500 PSO-TSSL
US 60 K 2500 PSS-TSSL
US 60 K 500 AI-I-TSSL
US 60 K 500 AI-TSSL
US 60 K 500 PSA-I-TSSL
US 60 K 500 PSA-TSSL
US 60 K 500 PSI-I-TSSL
US 60 K 500 PSI-TSSL
装配在金属外壳中的 USGT 系列均为经过校准的传感器,可用于测定薄膜和纸张的幅边位置。其特点在于重复精度很高,并且对脏污不敏感。
大线性模拟量范围
非常高的重复精度
即便是透明的材料也能实现边缘控制
对污染不敏感

电气特征
工作电压
12 … 30 V DC
空载电流(*)
40 mA (24 V DC)
余波
10 %
绝缘耐压强度
500 V
机械特征
外壳材料
铝 (黑色, 阳极氧化)
、许可
防护等级
III,在安全特低电压下工作
一般特征
工作原理
超声波对射式光电开关
评估
模拟量
型式
槽型
输出端、输入端、接口
模拟量输出端
0 … 10 V, 4 … 20 mA
探测范围、测量范围、公差极限
槽口宽度
40 mm
分辨率
0,1 mm
测量范围
13 mm (典型)
再现性
± 0,1 mm
显示,操作
灵敏度调整
键盘
时间特性
测量频率
285 Hz
环境条件
工作环境温度
0 … +60 °C
防护等级
IP 67
电气连接
连接
插头, M12, 4 针
附件
连接电缆
VKHM … /4

DI-SORIC的超声波传感器USGT 40/13 IU-B4