康茂盛五通电磁阀EN530-2108
EN530-2108

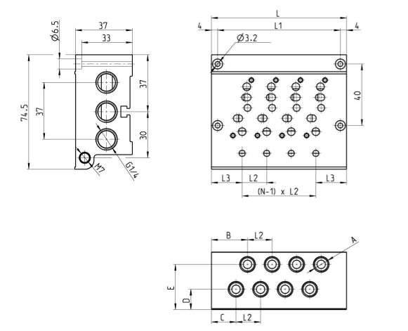
阀门尺寸 16 和 19 的歧管(歧管上的出口)
系列通用数据
阀门功能 5/2 - 5/3 CC - 5/3 CO - 5/3 CP
材料 阀体、阀芯、底座 = AL 端盖 = 技术聚合物接头 = NBR PU
端口 G1/8 - G1/4
温度 *低 0°C + 50° C *值
体液 无润滑剂过滤空气。如果使用润滑空气,建议使用 ISOVG32 油并且不要中断润滑。
电压 见编码
电压容差 ± 10%
能量消耗 2W、1W
绝缘等级 F级
接口:
PROFIBUS、CANopen、EtherNet/IP、PROFINET、EtherCAT
可与 I/O 模块集成
CX4系列多串口模块可以
与*常见的现场总线接口
协议,如 Profibus-DP、CANOpen、
EtherCAT、EtherNet/IP、PROFINET。
用数字放大的可能性
和模拟 I/O 模块,采集
来自桥接器、RTD 或 TC 的信号
传感器,分辨率高达 24 位和
大量可管理的信号
使其特别适用于不同的
需要。
可通过 MicroUSB 端口与 PC 连接,检查和配置
通过 UVIX 连接组件
软件。通过现场总线进行配置。
通过机械接口
连接它与结合使用
D 系列阀岛。
*的使用灵活性
» 易于更换
» 模拟量 I/O 模块
» 数字 I/O 模块
» 电气连接
模块:连接器和
接线端子(推入式)
» 可配置为
NPN、PNP、伏特或毫安
» *配置:
128 输入 + 128 输出数字
和 16 输入 +16 输出模拟
» 大范围的
通信协议
一般数据
数字输出数量 128
模拟输出数量 16
数字输入数量 128
模拟输入数量 16
*输入吸收 1,5 A
*输出吸收 2,5 A
电源电压 24 V DC +/-10% 逻辑电源
24 V DC +/-10% 电源
保护过载和反极性
防护等级 IP65(如果模块 I/O 带有端子块,则为 IP20)
符合标准 EN-61131-2
工作温度 0-50°C
材料聚合物

防护等级 IP65 带连接器 DIN 40050
产品型号
E520-2C04
E520-2C05
E520-2C06
E520-2D04
E520-2D05
E520-2D06
E520-2D07
E520-2D08
E520-2D09
E520-2D10
E520-2D11
E520-2D12
E520-2C07
E520-2C08
E520-2C09
E520-2C10
E521-1005
E521-1006
E521-1007
E521-1008
E521-1009
E521-1010
E520-2C11
E520-2C12
E520-2D02
E520-2D03
E520-33 E520-36
E520-4C03
E520-C33
E520-C36
E521-1002
E521-1003
E521-1004
E521-1011
E521-1012
E521-11-10-K13
E521-16-10-K12
康茂盛五通电磁阀EN530-2108