502/7D-C(小型)压力控制器
概述
502/7D-C型压力控制器采用波纹管式传感器,可用于空气、气体、水等中性气体和润滑油、轻燃油等液体介质。控制器设定值可调,调节范围为-0.1~4MPa,控制器均采用铸铝壳体,为防水型,满足船用条件。
主要技术性能
|
工作粘度 |
<1×10-3m2/s |
|
使用寿命 |
105次 |
|
环境温度 |
-25℃~55℃ |
|
介质温度 |
-25℃~80℃ |
|
抗振性能 |
40m/s2 |
|
重复性误差 |
≤1% |
|
触点容量 |
AC 380V 3A(阻性)AC 220V 6A(阻性) |
|
耐压 |
150% |
特点
本控制器是小型设计;不可调控制器备有小切换差型。
规格
切换差不可调
|
序号 |
设定值调节范围MPa |
切换差不大于MPa |
*允许压力MPa |
开关切换次数 次/分 |
传感器材料 |
|
|
外壳 |
波纹管 |
|||||
|
1 |
-0.1~0 |
0.007 |
0.5 |
20 |
黄铜 |
不锈钢 0Cr17Ni14 Mo2 (316L) |
|
2 |
0~0.1 |
0.008 |
||||
|
3 |
0.01~0.25 |
0.01 |
||||
|
4 |
0.01~0.3 |
0.01 |
||||
|
5 |
0.02~0.4 |
0.016 |
3.0 |
|||
|
6 |
0.03~0.6 |
0.035 |
||||
|
7 |
0.03~0.8 |
0.04 |
||||
|
8 |
0.03~1.0 |
0.04 |
||||
|
9 |
0.03~1.6 |
0.08 |
6.0 |
|||
|
10 |
0.05~2.5 |
0.09 |
||||
|
11 |
0.05~3.0 |
0.14 |
||||
|
12 |
0.05~4.0 |
0.2 |
||||
切换差不可调(小切换差)
|
序号 |
设定值调节范围MPa |
切换差不大于MPa |
*允许压力MPa |
开关切换次数 次/分 |
传感器材料 |
|
|
外壳 |
波纹管 |
|||||
|
1 |
-0.1~0 |
0.0045 |
0.5 |
20 |
黄铜 |
不锈钢 0Cr17Ni14 Mo2 (316L) |
|
2 |
0~0.1 |
0.0025 |
||||
|
3 |
0.01~0.25 |
0.01 |
||||
|
4 |
0.01~0.3 |
0.01 |
||||
|
5 |
0.02~0.4 |
0.014 |
3.0 |
|||
|
6 |
0.03~0.6 |
0.016 |
||||
|
7 |
0.03~0.8 |
0.02 |
||||
|
8 |
0.03~1.0 |
0.03 |
||||
|
9 |
0.03~1.6 |
0.035 |
6.0 |
|||
|
10 |
0.05~2.5 |
0.04 |
||||
|
11 |
0.05~3.0 |
0.05 |
||||
|
12 |
0.05~4.0 |
0.06 |
||||
设定值的调整(详见压力控制器设定值的调整例一、例二)
注意事项
1. 打开控制器时请勿旋动内部的螺钉拨弄内部零件;
2. 选用控制器,*使预定的设定值位于控制器设定值范围的20%~80%之间;
3. 规格中的切换差调节范围是指保证提供的切换差,实际范围可略宽;
4. 调试时压力请勿过*允许压力;
5. 周围环境应无腐蚀性气体;
6. 安装(或拆卸)必须用扳手夹持传感器部分,要*防止传感器与控制器壳体发生相对转动。
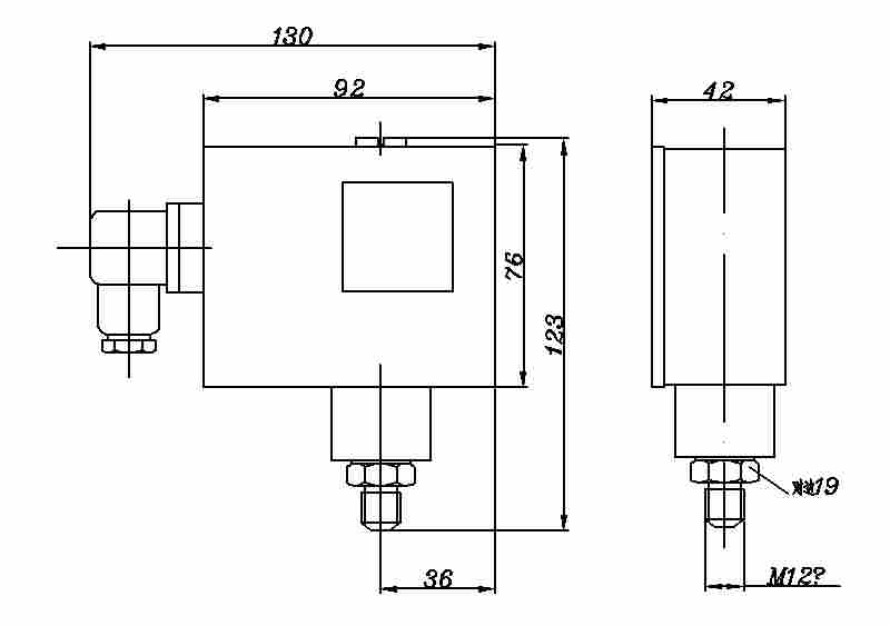
外形尺寸及安装尺寸(单位:mm)
电气接线图
单刀双掷微动开关作用过程:
接线端1-2压力上升至上切换值断开;
接线端1-3压力上升至上切换值接通。