20MHz电流传感器110A

发布时间:2022-11-22

一、概述

       美国皮尔森(Pearson Electronics)1958年便开始设计和生产监测变压器,经过几十年的发展,产品广泛应用于美国军工、医疗、航空等领域,一直服役于极其复杂的瞬间信号和一些频率周期性信号环境下,奠定了它,高品质的要求。

脉冲宽带电流互感器4997 20000A 15MHz电流探头

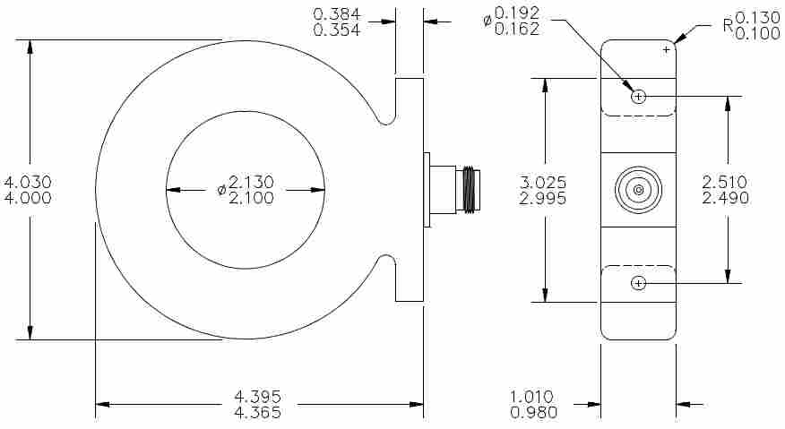
       脉冲宽带电流传感器,国内也称电流互感器、罗氏线圈或电流测试环,电流互感器的运行情况相当于2次侧短路的变压器,忽略励磁电流,安匝数相等I1N1=I2N2 ,电流互感器一次绕组电流I1与二次绕组I2的电流比,叫实际电流比I1/I2=N2/N1=k。宽带电流传感器拥有高于±1%的测试精度,高的阻抗负载(typ.1M欧姆, 20pF) 。接口采用BNC, 50欧姆的同轴线。该系列的电流检测器是接触式,非绝缘的。测试前必须做好足够的绝缘措施,为了避免被电击,在测试电流过程中不能从导体中移动或者移出电流检测器。


二、技术参数

灵敏度 0.1V/A ±1%
输出阻抗 50Ω
峰值电流
10000A
有效值电流 65A
衰减特性
0.8%/ms
上升时间
20ns
安秒积 0.5A▪s
低频带宽-3dB
1Hz
高频带宽-3dB
20MHz
电流频率比 1.5
输出接口 N型
工作温度
0~65℃
重量
22盎司

脉冲宽带电流互感器110A 10000A 20MHz电流探头


三、其他配件

       Pearson衰减器几乎可以与已知Pearson电流传感器一起使用,常用的衰减器型号为: Pearson A10,具有1:10的电压衰减比,可以将CT的输出电压衰减10倍,从而使得CT输出的完整波形得以保留。衰减器上的输入和输出是对称的,在输入输出端均采用50欧姆BNC连接头

       Pearson A10衰减器可用于已知标准皮尔森电流传感器(2093型除外),用于降低信号输出电压乘以10。保留这些型号的额定值峰值。衰减器是对称的,可以选择任何一个方向使用。

       适配器N-BNC可以与Pearson电流传感器110A或者1080一起使用,用于连接BNC电缆。其具体规格为N母头转BNC母头,输出信号为电压信号,可以搭配示波器、功率分析仪、数据记录仪、采集卡等采集电流信号,分析数据。


上一篇:KLW 300.012 EMG ...
下一篇:贵阳厂房抗震鉴定中心-贵阳检测单...