安科瑞Acrel-2000E配电室综合监控系统在 厦门市青少年足球训练中心训练场项目中的应用

发布时间:2023-03-14

周颖

安科瑞电气股份有限公司 上海嘉定 201801

摘要:安科瑞根据现有配电室可能存在的信息孤岛、远程操作等问题,利用硬件处理技术、网络传输技术、通讯技术及数据库技术了Acrel-2000E配电室综合监控系统,该系统通过采集配电室的温湿度、水浸、烟感、门禁和视频等数据,实现环境监测、安防监控等功能,系统还可以联动控制风机、声光报警器,对配电室自动化运行管理、防灾预警、安全防护等应用具有重大意义。本文介绍了安科瑞配电室综合监控系统Acrel-2000E在厦门市青少年足球训练中心训练场项目中的应用,该系统实现了分布式采集和集中控制的智能化管理,为现场设备安全、可靠、高效的运行提供了坚实的技术保障。

关键词: 环境监测 安全防护 智能化管理

0 引言

Acrel-2000E/G配电室综合监控系统可以对配电室的温湿度变化情况、通风情况、室内积水情况以及设备的运行状态进行实时的监测和分析,对出现异常的情况会主动报警,并结合几个子功能的有机结合,提出了基于异常的报警联动处理机制,为及时发现电网中配网问题提供了技术手段,结合相应的管理手段,实现配电室和管理端的双向互动,达到“二低三高”的目的,即降低电力成本、降低资金压力、提高供电质量、提高资金回笼,提高服务,从而为保证配电设备的安全运行提供了强有力的保障,从而来提高电网质量为用电企业更好的服务。

在厦门市青少年足球训练中心训练场项目中,该系统实现对各种监测数据的查询、分析、预警及综合展示,以保证配电环境的安全。在智能化方面实现供配电监控系统的遥测、遥信数据采集,遥控点控制;在数据资源管理方面,可以显示或查询供配电室内各设备运行(包括历史和实时参数),并根据实际情况进行日报、月报和年报查询或打印,提高工作效率,节约人力资源。

1 项目概述及需求

据悉,厦门市青少年足球训练中心位于集美新城核心区西侧,用地面积接近10万平方米,主要包括六片标准足球训练场以及体能训练室、医疗康复用房等,可满足500人同时在中心训练生活。

此次环境监测系统用于训练场正式用电工程,具体需求为:智能监辅助系统包括智监系统屏、采集前置机、UPS电源、视频监子系统(云合球机、球机)、环境监测子系统(温度、湿度、水浸、烟感)、控制子系统(灯光、空调、除湿机、风机)、门监子系统(读卡器、开门按钮、磁力锁)、安防监子系统(双鉴探测器)。

 安科瑞Acrel-2000E配电室综合监控系统在 厦门市青少年足球训练中心训练场项目中的应用

2 设计标准和依据

配电室综合监控系统是由各类传感器、网络设备及计算机设备等互联布局而成。系统因项目规模不同、功能性能不同、重要程度不同、用户投资水平不同,可采取不同的拓扑结构,但是无论采取何种拓扑结构都是采用了“站控管理层——网络通讯层——现场设备层”的分层分布式设计思想。这种分层设计,符合当前通讯体系设计实现的标准,在每层都能相对地完成监视控制功能,即可以实现远方的监视控制,也能够在上层故障时不影响本层和下一层的功能。

安科瑞Acrel-2000E配电室综合监控系统在 厦门市青少年足球训练中心训练场项目中的应用 

系统设计同时也符合以下标准: 

GB/50198-94

《监控系统工程技术规范

GB/T13730

地区电网数据采集与监控系统通用技术条件》

DL/T630

《交流采样远动终端通用技术条件》

GB/T13729

《远动终端通用技术条件》

GB2887

《计算站场地技术要求》 项目的系统结构

GB/T 2423.10

电工电子产品基本环境试验规程

GBJ 115

工业电视系统工程设计规范

GB 4798.4

电工电子产品应用环境条件无气候防护场所使用

GB/T 6995

电线电缆识别标志方法

GB 12322

通用性应用电视设备可靠性试验方法

GB 12663

防盗报警控制器通用技术条件

GB/T13729

远动终端设备

GB/T 14429

远动设备及系统——术语

GB/T 17626.2

静电放电抗扰度试验

GB/T 17626.5

浪涌(冲击)抗扰度试验

3 硬件设备选型

该项目中智能监控系统屏位于配电室内,根据项目要求和图纸,可配置出项目所用设备:

安科瑞Acrel-2000E配电室综合监控系统在 厦门市青少年足球训练中心训练场项目中的应用 

将温湿度实时数据、水浸状态、烟感状态等数据上传至系统主机,实现对该配电室环境的监测,为电气设备安全稳定的运行提供保障。其中水浸传感器内电源、感应线、信号输出三部分完全隔离;温湿度传感器具有485通信接口,可通过标准ModBus-RTU通信协议通信;水浸传感器监测由于外界环境和各种因素造成的室内外电缆沟积水情况;摄像机通过网线与本地录像机进行组网,将实时监测视频、事件信息存储于本地硬盘中,通过以太网将视频图像传输到控制主机;红外微波双鉴探测器克服了单一技术探测器的缺陷,当两种探测技术的传感器都探测到人体移动时报警并将报警信息上传给后台系统;门禁控制器连接磁力锁、开门按钮、读卡器并采集信息,通过网线将门锁信息传至后台系统,可通过系统远程控制门锁开关。

4 现场安装

安科瑞Acrel-2000E配电室综合监控系统在 厦门市青少年足球训练中心训练场项目中的应用 

       安科瑞Acrel-2000E配电室综合监控系统在 厦门市青少年足球训练中心训练场项目中的应用

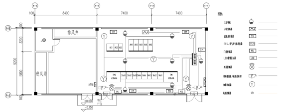
1、摄像机:安装云台球机7台,枪机或半球摄像机2合。视频摄像头(云合机)部署在配电柜前、后的墙壁上,分别对对侧配电柜进行监视。了解设备的运行情况以及方便监控配电房的全景,摄像头(枪机)安装与大门对两侧侧墙上,确保能看到大门前。

2、烟雾传感器:安装烟雾传感器5只,部署在配电房内屋顶,当配电房着火时及时发出报警信号。

3、水浸传感器:安装水浸传感器1只,在每个配电房电缆沟进出线处各配置1个水浸传感器,水浸传感器探针装设在电缆沟壁距离沟底上1 5cm处检测器装设电缆沟壁盖板下5cm处。

4、温湿度传感器:安装温湿度传感器5只,部署配电房内,采用数显电子温湿度监测仪,可将温湿度信息输出采集前置机,并可通过采集前置机控制加热、排风和除混系统的启停。

5、门禁:安装门禁系统2套,在配电房门口,需要带密码锁功能。

6、环境温混度、水位等模拟信息均通过RS485接口传输并连接至综合监控系统、传感装置满足MODBUS通讯协议接入采集前置机,门禁、进水报警、排风控制、空调等开关量信息通过硬接点连接接入采集前置机。

5 软件功能

1、实时监测

配电室综合监控系统人机界面友好,能够显示配电室设备的运行状态,实时监测配电室环境参数信息,如视频、温度、湿度、漏水/水浸、水位、有害气体和电参量等,实时显示有关故障、告警等信息。

安科瑞Acrel-2000E配电室综合监控系统在 厦门市青少年足球训练中心训练场项目中的应用 

2、曲线查询

在曲线查询界面,可以直接查看遥测参量曲线,包括温度、湿度、水位、有害气体、电压、电流等曲线。

安科瑞Acrel-2000E配电室综合监控系统在 厦门市青少年足球训练中心训练场项目中的应用 

3、运行报表

查询配电室内设备的运行数据报表,包括日报表、月报表、年报表和查询报表等。

安科瑞Acrel-2000E配电室综合监控系统在 厦门市青少年足球训练中心训练场项目中的应用 

4、实时告警

配电室综合监控系统具有实时告警功能,系统能够对配电室温度、湿度、有害气体、设备故障或通信故障等事件发出告警。

安科瑞Acrel-2000E配电室综合监控系统在 厦门市青少年足球训练中心训练场项目中的应用 

5、遥控操作

配电室综合监控系统可以对整个配电系统范围内的设备进行远程遥控操作。 

6、视频监控

配电室综合监控系统可以接入摄像头,实现远程监控。 

6 结束语 

配电室综合监控是整个电能管理系统中的一个重要环节,本文介绍了Acrel-2000E配电室综合监控系统在厦门市青少年足球训练中心训练场项目中的应用。系统实现了通信管理、实时监测、曲线查询、实时告警、历史事件查询、视频监控等功能,对配电室中的环境数据进行分析、处理、实时显示;针对烟感报警、水浸报警等事件会有对话框、语音提示、短信报警等告警方式,并会生成各种数据报表、分析曲线、图形,便于数据分析、研究。该系统安全、可靠、稳定的运行,为解决用电问题提供了真实可靠的依据,为电气设备安全稳定运行提供了保障。

 

参考文献: 

[1]上海安科瑞电气股份有限公司产品手册.2010.08版.

[2]黄伟.基于变电室综合环境控制的智能保障系统研究[D].北京交通大学,2014

[3]郭盛,黄伟,薛林,茅正平. 基于综合环境控制的室内变电站通风方式[J]. 北京交通大学学报,2013,03:19-26

 

作者简介:
周颖,女,本科  安科瑞电气股份有限公司,主要研究方向为智能电网供配电

上一篇:盘锦厂房沉降监测/房屋检测机构
下一篇:原厂优惠供应 metal wor...