供应佛山动态微扭矩传感器扭力传感器18975504245邝

发布时间:2017-08-25

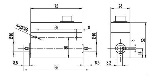
WTQ1050D动态微扭矩传感器(邝)

特性与应用

· 电阻应变为敏感元件和集成电路构成的一体产

,精度高,性能稳定可靠。

· 没有集流环等磨损件,可高速长时间运转,输出正反转扭矩信号,

· 两端均为键连接,

高转速不过4000/分钟。

技术参数

测量范围: 00.1/0.2/0.3/0.5/1/2/3/5 Nm    

输出灵敏度: 1.02.0 mV/V    

综合精度:±0.1; ±0.3; ±0.5%F.S(线性+重复性+滞后)

工作温度: -10+60    

温度补偿范围: 室温~+60    

零点温度影响: ±0.1 %F.S/10    

激励电压: 12 VDC    

绝缘电阻: 2000 MΩ/100VDC    

输入电阻: 700±10/350±10 Ω    

输出电阻: 700±5/350±5 Ω    

零点输出: 0~±1 %F.S    

安全过负荷率: 120 %F.S    

出厂标准线长: 3 m

式     

输入(电源)正端 1 红 输出(信号)正端 2 黄  输出(信号)负端 3 白  

输入(电源)负端 4 绿  

若插头座号、导线颜色发生颜色变化时,请以传感器合格证书为准

上一篇:bucher齿轮泵QX22-00...
下一篇:美能肺功能仪