油雾收集器
GME-S400型
GME系列


油雾收集器不允许油雾轻易留在内部
| 风量(m3/min) | 5.6/6.6 |
|---|
| 收集效率* | 99.7 |
|---|
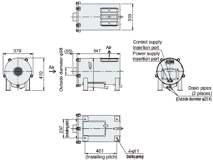
| 外形尺寸(mm) | 货号 H407×W333×D547 |
|---|
| 重量(kg) | 33 |
|---|
规格
| *风量 | 5.6/6.6 |
|---|
| *静压 (kPa) | 0.7/1.0 |
|---|
| 收集效率(%) *1 | 99.7 |
|---|
| 工作温度和湿度 | 0~50°C,RH90%以下(室内规格,无凝露) |
|---|
| 吸收气体温度(°C) | 0~50 |
|---|
| 收集对象 | 水不混溶油雾(燃点:高于150°C)
水不混溶油雾 |
|---|
| *入口密度(mg/m3) | 50 |
|---|
| 外形尺寸(mm)*2 | 货号 H407×W333×D547 |
|---|
| 吸入口径(mm) | 侧吸力Φ98mm |
|---|
| 重量(kg) | 33 |
|---|
| 涂层颜色 | 孟塞尔 N7/孟塞尔 5PB/2 |
|---|
| 额定电压(V) *4 | 三相AC200 / 200, 220, 230 |
|---|
| *消耗电流(A) | 1.6/2.0 |
|---|
| *功耗(W) | 380/580 |
|---|
| 已安装电机 | 三相异步电动机(IE1) |
|---|
| 安装电机输出 | 0.4kW 2P(全封闭风冷型) |
|---|
| 风扇材料 | A5052(铝), SPCC(铁) |
|---|
| 磁盘材料 | SUS304(不锈钢) |
|---|
| 排水管(mm) | 外径Φ25.4管(2位) |
|---|
| 噪声(dB[A]) | 约68/70 |
|---|
外形尺寸

设备同步规格

容量特性图

--------------------------------------------------------------------------------------------------------------------
北崎优势:
1、以下三大类前 6 项均为日本原厂授权代理销售;其它为厂家项目授权代理销售;
2、未归类的为我司日本本社向日本原厂直接采购,可提供关单和产地证明。
光源类:
1... EYE岩崎——UV灯、照度计 (备库销售)
2... SEN日森——UV固化装置、高压水银灯、紫外光清洗设备 (备库销售)
3... CCS晰写速——环形光源、面光源、光源箱 (部份光源可提供试样)
4... REVOX莱宝克斯——光源箱
5... SERIC索莱克——人工太阳照明灯
6... POLARION普拉瑞——强光灯
--------------------------------------------------------------------------------
7... FUNATECH船越龙——目视检查灯 (备库销售)
8... USHIO牛尾——UV汞灯、小灯泡
9... ATIEC艾泰克——光源、条光、同轴光、强光灯
10...YAMADA依梦达——光源 (备库销售)
仪器仪表类:
1... SANKO山高——膜厚仪、金属探测仪
2... TOKI东机产业——粘度计
3... SONIC索尼克——超声波风速仪、气体及液体流量计 (备库销售)
4... SAKAGUCHI坂口电热——热电偶、耐专线、热电对
5... DIT东日技研——静电消除器、离子风棒
6... SUGIYAMA杉山电机——下死点检测仪、误送检测装置 (备库销售)
--------------------------------------------------------------------------------------
7... IJIMA饭岛电子——酸素计、氧气分析仪、浓度计
8... TORAY东丽——气体分析仪
9... HIOKI日置——功率分析仪、记录仪、电流传感器
10...TOPCON拓普康——色彩亮度计、辉度计、照度计 (备库销售)
11...KYOWA共和——应变仪、应变片、传感器 (部份备库销售)
12...USHIO牛尾——照度计 (备库销售)
13...ORC欧阿希——照度计 (备库销售)
14...AND爱安德——水分计、天平、粘度计 (备库销售)
15...YASKAWA安川——磁性开关 (备库销售)
16...RKC——热电偶、温控器 (备库销售)
17...EXCEL——听音机 (备库销售)