库号:D395539
结构形式 分体结构,全向测试
风速范围 0.05~5m/s
风速精度 0.05~2.0m/s ±(0.05 m/s+2%读数)
2.0~5.0m/s ±(0.1 m/s±2%读数)
响应时间 0.2s(t63,1m/s 风速,25°C,标准大气压下测试)
温度测试 0~70°C
温度精度 ±0.5°C
采集频率 探头采集>50Hz;数据平均周期 0.2s、2s 可选
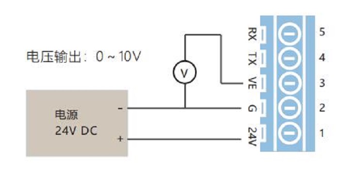
输出信号 RS485 (标准 MODBUS 协议);0~10V;4~20mA
供电电压 DC24V(15~26V)
额定功耗 小于 0.5W(不带显示款);小于 0.7W(带显示)
使用环境 -25~80°C;0~90%RH 不结露状态下
温度补偿 -25~80°C
基本尺寸 见图例 结构形式可定制
接口形式 内置接线端子,裸线接头
结构材质 304 不锈钢+高分子材料
防护等级 探头 IP54 电路 IP65
存储温度
结构形式 分体结构,全向测试
风速范围 0.05~5m/s
风速精度 0.05~2.0m/s ±(0.05 m/s+2%读数)
2.0~5.0m/s ±(0.1 m/s±2%读数)
响应时间 0.2s(t63,1m/s 风速,25°C,标准大气压下测试)
温度测试 0~70°C
温度精度 ±0.5°C
采集频率 探头采集>50Hz;数据平均周期 0.2s、2s 可选
输出信号 RS485 (标准 MODBUS 协议);0~10V;4~20mA
供电电压 DC24V(15~26V)
额定功耗 小于 0.5W(不带显示款);小于 0.7W(带显示)
使用环境 -25~80°C;0~90%RH 不结露状态下
温度补偿 -25~80°C
基本尺寸 见图例 结构形式可定制
接口形式 内置接线端子,裸线接头
结构材质 304 不锈钢+高分子材料
防护等级 探头 IP54 电路 IP65
存储温度
结构形式 分体结构,全向测试
风速范围 0.05~5m/s
风速精度 0.05~2.0m/s ±(0.05 m/s+2%读数)
2.0~5.0m/s ±(0.1 m/s±2%读数)
响应时间 0.2s(t63,1m/s 风速,25°C,标准大气压下测试)
温度测试 0~70°C
温度精度 ±0.5°C
采集频率 探头采集>50Hz;数据平均周期 0.2s、2s 可选
输出信号 RS485 (标准 MODBUS 协议);0~10V;4~20mA
供电电压 DC24V(15~26V)
额定功耗 小于 0.5W(不带显示款);小于 0.7W(带显示)
使用环境 -25~80°C;0~90%RH 不结露状态下
温度补偿 -25~80°C
基本尺寸 见图例 结构形式可定制
接口形式 内置接线端子,裸线接头
结构材质 304 不锈钢+高分子材料
防护等级 探头 IP54 电路 IP65
存储温度
